Eclatés de véhicule - GILERA NEXUS 500 1998-2005
Tous les éclatés de ce véhicule
Filtrer :
Ou choisissez :
-
-
T1 Moteur
-
T10 Refroidissement Carter
-
T11 Pompe A Huile-Démarrage Électique
-
T12 Volant Magnetique
-
T13 Carter Volant-Filtre A Huile
-
T14 Couvercle réducteur
-
T15 Raccord D’admission-Corps Papillon-Injecteur
-
T16 Silencieux
-
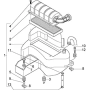
T17 Filtre A Air
-
T18 Chassis
-
T19 Bequilles
-
T2 Carter
-
T20 Circuit De Refroidissement
-
T21 Reservoir Carburant
-
T22 Circuit D'alimentation
-
T23 Bouclier
-
T24 Pare Brise
-
T25 Partie Centrale
-
T26 Porte-Casque
-
T27 Protections laterales-Spoiler
-
T28 Logement Roue-Garde Boue
-
T29 Selle-Trousse D'outilis
-
T3 Vilebrequin
-
T30 Fourche
-
T31 Amortisseur Arriere
-
T32 Protection Guidon
-
T33 Groupe Des Instruments
-
T34 Guidon-Pompe Du Frein
-
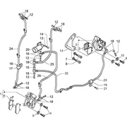
T35 Canalisation D’huile-Pinces Frein
-
T36 Feux Avant
-
T37 Feux Arriere-Protections Arriere
-
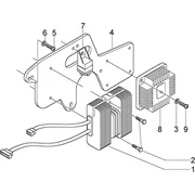
T38 Dispositifs Electriques-Batterie
-
T39 Dispositifs Electriques
-
T4 Ensemble Cylindre-Piston-Axe De Piston
-
T40 Groupe Principal Des Câbles
-
T41 Serrures
-
T42 Roue Av.
-
T43 Roue Ar.
-
T5 Ensemble Culasse-Soupapes
-
T6 Ensemble support Balanciers
-
T7 Couvercle Culasse
-
T8 Poulie Motrice
-
T9 Poulie Entrainee