mobile menu icon P2R logo

Vehicle Exploded View - APRILIA NA MANA 850 NA 850 Mana 2007-2011 APRILIA

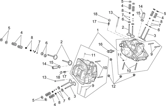
Moteur : 29.40 CULASSE - SOUPAPES
Culasse - soupapes
Search
82966R2 - T?TE CYLINDRE CPL.

1

P2R reference P2R reference
Maker reference Maker reference
More information

Quantity required : 2

INLET VALVE "PIAGGIO GENUINE PART" COMMUN A L'ENSEMBLE DE LA GAMME MAXISCOOTER 400-500 -828322

2

P2R reference P2R reference
Maker reference Maker reference
More information

Quantity required : 4

EXHAUST VALVE "PIAGGIO GENUINE PART" FOR SCOOTERS 400-500cc -828321

3

P2R reference P2R reference
Maker reference Maker reference
More information

Quantity required : 4

VALVE SPRING "PIAGGIO GENUINE PART" MOTEUR 400-500 MAXISCOOTER -826103

4

P2R reference P2R reference
Maker reference Maker reference
More information

Quantity required : 8

828396 - RONDELLE D'AR

5

P2R reference P2R reference
Maker reference Maker reference
More information

Quantity required : 8

826256 - RONDELLE D'AR

6

P2R reference P2R reference
Maker reference Maker reference
More information

Quantity required : 8

VALVE HALF CONE "PIAGGIO GENUINE PART" COMMON FOR ALL SCOOTER + MAXISCOOTER -285846

7

P2R reference P2R reference
Maker reference Maker reference
More information

Quantity required : 16

VALVE GASKET RING "PIAGGIO GENUINE PART" 125-250 MP3, X7, X8, X9, X-EVO, X10, VESPA GTS/GILERA 125-250 NEXUS/APRILIA 125-250 ATLANTIC -436438

8

P2R reference P2R reference
Maker reference Maker reference
More information

Quantity required : 8

STUD BOLT (M8x3x46) "PIAGGIO GENUINE PART" MUILTI-PURPOSE - COMMON TO THE RANGE -1A003632R

9

P2R reference P2R reference
Maker reference Maker reference
More information

Quantity required : 4

SCREW - FOR CYLINDER HEAD "PIAGGIO GENUINE PART" COMMON TO THE RANGE MAXISCOOTER 400-500 -878991

10

P2R reference P2R reference
Maker reference Maker reference
More information

Quantity required : 4

842360 - BOUCHON

11

P2R reference P2R reference
Maker reference Maker reference
More information

Quantity required : 2

NUT - FOR EXHAUST "PIAGGIO GENUINE PART" COMMON TO THE RANGE SCOOTER 50 CC -288245

12

P2R reference P2R reference
Maker reference Maker reference
More information

Quantity required : 4

874746 - VIS

13

P2R reference P2R reference
Maker reference Maker reference
More information

Quantity required : 6

832783 - ECROU

14

P2R reference P2R reference
Maker reference Maker reference
More information

Quantity required : 8

178790 - RONDELLE

15

P2R reference P2R reference
Maker reference Maker reference
More information

Quantity required : 8

TEMPERATURE SENSOR "PIAGGIO GENUINE PART" COMMON TO THE RANGE MAXISCOOTER/GILERA 50 SMT, RCR 2018> -640485

16

P2R reference P2R reference
Maker reference Maker reference
More information

Quantity required : 1

BRAKE DRAIN SCREW -430045

17

P2R reference P2R reference
Maker reference Maker reference
More information

Quantity required : 2

063435 - CAPUCHON

18

P2R reference P2R reference
Maker reference Maker reference
More information

Quantity required : 2

All the exploded views of this vehicle

Filter :
Or choose :