Vehicle Exploded View - APRILIA NA MANA 850 NA 850 Mana GT 2009-2013
All the exploded views of this vehicle
Filter :
Or choose :
-
-
00.01 Accessoires
-
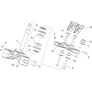
28.01 Chassis
-
28.02 Repose-Pieds
-
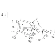
28.03 Béquille
-
28.04 Direction
-
28.05 Fourche AV
-
28.06 Fourche arriere
-
28.07 Suspension arriere
-
28.08 Carrosserie av. - Garde-boue AV
-
28.09 Carrosserie centrale I
-
28.10 Carrosserie centrale II
-
28.11 Réservoir essence
-
28.12 Selle
-
28.13 Carrosserie posterieure
-
28.14 Tableau de bord
-
28.15 Guidon - Commandes
-
28.16 Maît. cyl. frein AV
-
28.17 Installation refroidissement
-
28.18 Corps filtre
-
28.20 Groupe echappement
-
28.21 Roue Av.
-
28.22 Pince frein avant
-
28.23 Roue arrière
-
28.24 Sys.frein arrière
-
28.25 Feux avant
-
28.26 Feux arriere
-
28.27 Circuit electrique I
-
28.28 Circuit electrique II
-
28.29 Kit serrure
-
28.30 Trousse outils+manuel d’instr.
-
28.52 Système frein ABS
-
28.53 Châssis AV
-
28.54 Carrosserie av. - Coupole
-
28.55 Décalco USA-CIna
-
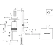
28.56 Sys.récup.vap.ess.
-
28.57 Forcella ant. II
-
28.58 Completions kit PA
-
28.59 Front fork III
-
29.19 Moteur
-
29.31 Carters I
-
29.32 Carters II
-
29.33 Carter de volant
-
29.34 Couvercle transmission
-
29.35 Pompe huile
-
29.36 Filtre à huile
-
29.37 Arbre moteur
-
29.38 Cylindre av.piston
-
29.39 Couvercle soupapes
-
29.40 Culasse - soupapes
-
29.41 Distribution cylindre avant
-
29.42 Distribution cylindre arrière
-
29.43 Selecteur boîte de vitesses
-
29.44 Commande bte vit.
-
29.45 Transmission I
-
29.46 Transmission II
-
29.47 Transmission III
-
29.48 Pompe à eau
-
29.49 Groupe allumage
-
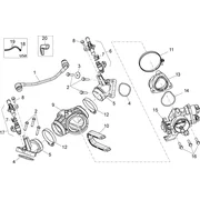
29.50 Corps à papillon
-
29.51 Protection Corps à papillon