Vehicle Exploded View - DERBI SENDA SM 50 Senda SM DRD X-Treme 2T E2 2014-2017 (EMEA)
All the exploded views of this vehicle
Filter :
Or choose :
-
-
65.15 Cylindre - Piston
-
65.16 Embrayage
-
65.17 Axe sélecteur
-
65.18 Boîte de vitesses
-
65.19 Arbre dém.
-
65.20 Carters
-
65.21 Carburateur
-
65.22 Groupe allumage
-
65.23 Pompe huile
-
65.24 Pompe à eau
-
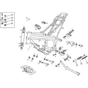
66.01 Chassis
-
66.02 Fourche
-
66.03 Fourche arriere - Amortisseur
-
66.04 Réservoir - Corps filtre - Selle
-
66.05 Carrosserie
-
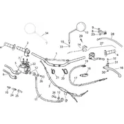
66.06 Guidon - Commandes
-
66.07 Feux - Circuit electrique
-
66.08 Roue Av.
-
66.09 Roue arrière
-
66.10 Système frein arrière
-
66.11 Tableau bord
-
66.12 Pot d''échappement
-
66.13 Installation refroidissement
-
66.14 Complétions
-
66.26 Decals