Vehicle Exploded View - APRILIA SCARABEO LIGHT 125 Carb 2007-2010
All the exploded views of this vehicle
Filter :
Or choose :
-
-
28.01 Chassis
-
28.02 Béquille
-
28.03 Fourche I
-
28.04 Fourche II
-
28.05 Biellette
-
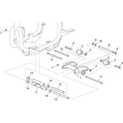
28.06 Suspension arriere
-
28.07 Carrosserie av. - Coupole
-
28.08 Carrosserie av. - Garde-boue AV
-
28.09 Carrosserie av. - Frontal
-
28.10 Carrosserie av. - Tablier AV.
-
28.11 Carrosserie av. - Tablier interne
-
28.12 Carrosserie centrale I
-
28.13 Carrosserie centrale II
-
28.14 Dessous selle
-
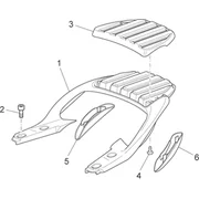
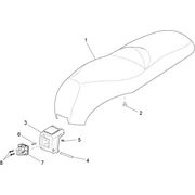
28.15 Groupe selle
-
28.16 Carrosserie posterieure I
-
28.17 Carrosserie posterieure II
-
28.18 Tableau de bord
-
28.19 Guidon
-
28.20 Commandes gche
-
28.21 Commandes dte
-
28.22 Sys.frein avant/arrière
-
28.23 Radiateur
-
28.24 Installation refroidissement
-
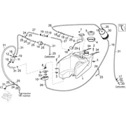
28.25 Reservoir carburant
-
28.26 Corps filtre
-
28.30 Air secondaire
-
28.32 Groupe d’echappement
-
28.33 Roue Av.
-
28.34 Pince AV
-
28.35 Roue arrière
-
28.36 Pince AR
-
28.37 Feu avant
-
28.38 Feu arrière
-
28.39 Circuit electrique I
-
28.40 Circuit electrique II
-
28.41 Kit serrure
-
28.57 Sys.récup.vap.ess.I
-
28.58 Sup.canister USA
-
28.60 Décalco techniques
-
29.27 Carburateur I
-
29.28 Carburateur II
-
29.29 Carburateur III
-
29.31 Moteur
-
29.42 Carter moteur
-
29.43 Arbre moteur
-
29.44 Cylindre
-
29.45 Culasse
-
29.46 Arbre à cames
-
29.47 Tendeur de chaîne
-
29.48 Filtre à huile
-
29.49 Embrayage
-
29.50 Groupe variateur
-
29.51 Couvercle variateur
-
29.52 Pompe huile
-
29.53 Transmission
-
29.54 Démarreur
-
29.55 Allumage
-
29.56 Pompe à eau
-
29.59 Sys.récup.vap.ess.II