Vehicle Exploded View - APRILIA SR 150 Aprilia 4T-3V (EMEA-LATAM) 2018
Moteur : 01.04 COUVERCLE RÉDUCTEUR
Search
All the exploded views of this vehicle
Filter :
Or choose :
-
-
01.01 Moteur complet
-
01.02 Carter
-
01.03 Couvercle transmission
-
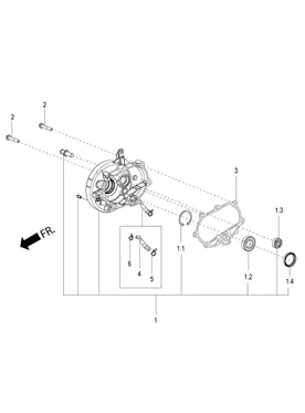
01.04 Couvercle réducteur
-
01.05 Unsemble cylindre-piston-axe de piston
-
01.06 Couvercle volant magnetique - Filtre à huile
-
01.07 Ensemble culasse - Soupape
-
01.08 Ensemble supports bilanciers
-
01.09 Chaîne de distribution-Tendeur de chaîne
-
01.10 Volant magnetique-Bobine h.t.
-
01.11 Vilebrequin
-
01.12 Ventilateur et capot de protection
-
01.13 Pompe huile-filtre
-
01.14 Demarreur el.
-
01.15 Transmission-Embrayage
-
01.16 Carburateur-pièces dét.
-
01.17 Filtre air
-
01.18 Canalisation Aspiration Air
-
01.19 Silencieux
-
02.01 Châssis
-
02.02 Bequille
-
02.03 Tablier Av.
-
02.04 Protection centrale - Repose-pieds
-
02.05 Protections laterales-spoiler
-
02.06 Helmet carrier cover-spoiler
-
02.07 Mudguard and helmet Case
-
02.08 Monogrammes - Decorations
-
02.09 Selle
-
02.10 Rétroviseur/s
-
02.11 Serrures
-
02.12 Resevoir
-
02.13 Protection guidon
-
02.14 Speedometer
-
02.15 Guidon
-
02.16 Suspension av.
-
02.17 Suspension arriere
-
02.18 Frein posterieur - Mâchoire
-
02.19 Roue AV.
-
02.20 Roue ar.
-
02.21 Tuyau cylindre frein av.-etrier du frein av.
-
02.22 Transmissions-Frein ar.-Compteur kilom.
-
02.23 Inverseurs - Commutateurs - Boutons - Interrupteurs
-
02.24 Remote control switches - Claxon
-
02.25 Eclairages avant - Clignotants
-
02.26 Eclairages arrière - Clignotants
-
02.27 Batterie
-
02.28 Faisceau de câbles principal