Eclatés de véhicule - PIAGGIO VU PORTER NP6 1500 Porter NP6 (TW 3000)
Tous les éclatés de ce véhicule
Filtrer :
Ou choisissez :
-
-
01.01 Moteur complet
-
01.02 Supports moteur
-
01.03 Bloc cylindres
-
01.04 Vilebrequin
-
01.05 Groupe piston
-
01.06 Carter d'huile
-
01.07 Ensemble culasse - Soupape
-
01.08 Arbre à cames
-
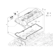
01.09 Couvercle culasse
-
01.10 Bobine H.T.
-
01.11 Raccord d'admission
-
01.12 Raccord d'échappement
-
01.13 Corps papillon et injecteurs
-
01.14 Courroie de distribution et couvercle
-
01.16 Circuit d'huile - Refroidissement
-
01.17 Pompe a eau
-
01.18 Démarrage
-
01.19 Alternateur
-
01.20 Groupe embrayage
-
01.21 Filtre à huile
-
01.22 Filtre à air
-
01.23 Système d'échappement
-
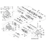
02.01 Boîte de vitesses complète
-
02.02 Composants de la boîte de vitesses
-
02.03 Levier de la boîte de vitesses
-
03.01 Arbre de transmission
-
03.02 Essieu arrière
-
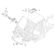
04.01 Châssis/coque
-
04.02 Châssis/caisse avant
-
04.03 Châssis/caisse latérale
-
04.04 Châssis/caisse arrière
-
04.05 Composants des châssis/caisse
-
04.06 Pavillon
-
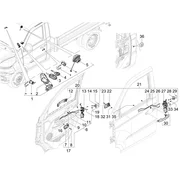
04.07 Portes avant
-
04.09 Plateau arrière
-
04.10 Ridelles benne
-
04.12 Pare-brise - Glaces
-
04.13 Monogrammes - Decorations
-
04.14 Composants des portes avant
-
04.16 Serrures
-
05.01 Panneaux isolants - Moulures
-
05.02 Caches avant - Pare-choc
-
05.03 Caches arrière - Pare-choc
-
05.05 Rétroviseurs
-
06.01 Système de chauffage
-
06.02 Installation de refroidissement
-
06.03 Système de chauffage
-
06.04 Système de climatisation
-
06.05 Circuit commande embrayage
-
07.02 Pompe système basculement
-
08.01 Revêtements intérieurs
-
08.02 Tunnel central - Levier de vitesses
-
08.03 Sièges avant
-
08.04 Ceintures de sécurité
-
08.05 Groupe d’instruments - Tableau de bord
-
08.06 Composants de la cabine
-
08.07 Groupe pedales
-
08.08 Leviers et transmissions
-
11.01 Inverseurs - Commutateurs - Boutons - Interrupteurs
-
11.02 Eclairages avant - Clignotants
-
11.13 Dispositifs Airbag
-
11.14 Essuie-glaces avant et arrière
-
11.15 Système stéréo - e-call