Icone menu mobile Logo P2R
Créer un compte

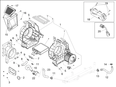
Eclatés de véhicule - PIAGGIO VU PORTER NP6 1500 Porter NP6 (SW 3070) ICE - 2025 PIAGGIO VU

06_châssis - circuits : 06.03 03_SYSTÈME DE CHAUFFAGE
03_Système de chauffage
Rechercher
WL081100001011 - RECHAUFFEUR

1

Référence P2R Référence P2R
Référence constructeur Référence constructeur
Plus d'informations

Quantité requise : 1

WC3826010003A0 BOUCHON

2

Référence P2R Référence P2R
Référence constructeur Référence constructeur
Plus d'informations

Quantité requise : 1

WQ32005F62 ÉROU HEXAGONAL BRIDE

3

Référence P2R Référence P2R
Référence constructeur Référence constructeur
Plus d'informations

Quantité requise : 4

WQ1840820F61 HEXAGON FLANGE BOLT

4

Référence P2R Référence P2R
Référence constructeur Référence constructeur
Plus d'informations

Quantité requise : 2

WQ32008F61 ÉROU HEXAGONAL BRIDE

5

Référence P2R Référence P2R
Référence constructeur Référence constructeur
Plus d'informations

Quantité requise : 3

WQ402B08F61 RONDELLE

6

Référence P2R Référence P2R
Référence constructeur Référence constructeur
Plus d'informations

Quantité requise : 2

GASKET HEATING HOSES

7

Référence P2R Référence P2R
Référence constructeur Référence constructeur
WET811050003A0 OUTLET WATER HEATER HOSE

8

Référence P2R Référence P2R
Référence constructeur Référence constructeur
Plus d'informations

Quantité requise : 1

COLLIER METALLIQUE DE DURITE RECHAUFFEUR ORIGINE PIAGGIO PORTER NP6 -WQ673C25

9

Référence P2R Référence P2R
Référence constructeur Référence constructeur
Plus d'informations

Quantité requise : 2

WET811050005A0 - TUYAU D'ENTREE D'EAU RECHAUFFEUR

10

Référence P2R Référence P2R
Référence constructeur Référence constructeur
Plus d'informations

Quantité requise : 1

COLLIER METALLIQUE DE DURITE RECHAUFFEUR ORIGINE PIAGGIO PORTER NP6 -WQ673C25

11

Référence P2R Référence P2R
Référence constructeur Référence constructeur
Plus d'informations

Quantité requise : 2

WET811050000A0 WATER HEATER HOSE

12

Référence P2R Référence P2R
Référence constructeur Référence constructeur
Plus d'informations

Quantité requise : 1

COLLIER METALLIQUE DE DURITE RECHAUFFEUR ORIGINE PIAGGIO PORTER NP6 -WQ673C25

13

Référence P2R Référence P2R
Référence constructeur Référence constructeur
Plus d'informations

Quantité requise : 1

WQ673C21 CLAMP

14

Référence P2R Référence P2R
Référence constructeur Référence constructeur
Plus d'informations

Quantité requise : 1

WET811040100A0 - CONDUITE PRISE D'AIR

15

Référence P2R Référence P2R
Référence constructeur Référence constructeur
Plus d'informations

Quantité requise : 1

VIS TH (6x16) AVEC RONDELLE ORIGINE PIAGGIO COMMUN A LA GAMME -WQ146B0616F61

16

Référence P2R Référence P2R
Référence constructeur Référence constructeur
Plus d'informations

Quantité requise : 4

VIS TH (6x20) AVEC RONDELLE ORIGNE PIAGGIO COMMUN A LA GAMME -WQ146B0620F62

17

Référence P2R Référence P2R
Référence constructeur Référence constructeur
Plus d'informations

Quantité requise : 3

WET811030003A0 - COMMANDE RTCHAUFFEUR

18

Référence P2R Référence P2R
Référence constructeur Référence constructeur
Plus d'informations

Quantité requise : 1

WQ2714816F61 SELF TAPPING SCREW W CROSS SLOT

19

Référence P2R Référence P2R
Référence constructeur Référence constructeur
Plus d'informations

Quantité requise : 4

HVAC WIRING HARNESS

20

Référence P2R Référence P2R
Référence constructeur Référence constructeur
WQ402B08F61 RONDELLE

21

Référence P2R Référence P2R
Référence constructeur Référence constructeur
Plus d'informations

Quantité requise : 2

WET811080000A0 - VALVE, COOLANT CABIN HEATER

22

Référence P2R Référence P2R
Référence constructeur Référence constructeur
Plus d'informations

Quantité requise : 1

WET811050004A0 - HOSE, COOLANT HEATER VALVE INLET

23

Référence P2R Référence P2R
Référence constructeur Référence constructeur
Plus d'informations

Quantité requise : 1

Tous les éclatés de ce véhicule

Filtrer :
Ou choisissez :