Eclatés de véhicule - PIAGGIO VU PORTER NP6 1500 Porter NP6 (SW 3070) ICE - 2025
Tous les éclatés de ce véhicule
Filtrer :
Ou choisissez :
-
-
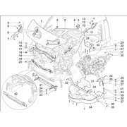
01.01 01_Moteur complet
-
01.02 02_Supports moteur
-
01.03 03_Bloc cylindres
-
01.04 04_Vilebrequin
-
01.05 05_Groupe piston
-
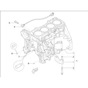
01.06 06_Carter d'huile
-
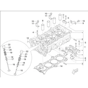
01.07 07_Ensemble culasse - Soupape
-
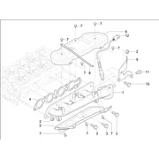
01.08 08_Arbre à cames
-
01.09 09_Couvercle culasse
-
01.10 10_Bobine H.T.
-
01.11 11_Raccord d'admission
-
01.12 12_Raccord d'échappement
-
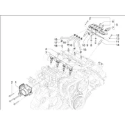
01.13 13_Corps papillon et injecteurs
-
01.14 14_Courroie de distribution et couvercle
-
01.16 16_Circuit d'huile - Refroidissement
-
01.17 17_Pompe a eau
-
01.18 18_Démarrage
-
01.19 19_Alternateur
-
01.20 20_Groupe embrayage
-
01.21 21_Filtre à huile
-
01.22 22_Filtre à air
-
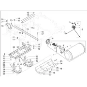
01.23 23_Système d'échappement
-
02.01 01_Boîte de vitesses complète
-
02.02 02_Composants de la boîte de vitesses
-
02.03 03_Levier de la boîte de vitesses
-
03.01 01_Arbre de transmission
-
03.02 02_Essieu arrière
-
04.01 01_Châssis/coque
-
04.02 02_Châssis/caisse avant
-
04.03 03_Châssis/caisse latérale
-
04.04 04_Châssis/caisse arrière
-
04.05 05_Composants des châssis/caisse
-
04.06 06_Pavillon
-
04.07 07_Portes avant
-
04.12 12_Pare-brise - Glaces
-
04.13 13_Monogrammes - Decorations
-
04.14 14_Composants des portes avant
-
04.16 16_Serrures
-
05.01 01_Panneaux isolants - Moulures
-
05.02 02_Caches avant - Pare-choc
-
05.03 03_Caches arrière - Pare-choc
-
05.04 04_Logement roue-Garde-boue
-
05.05 05_Rétroviseurs
-
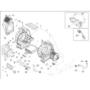
06.01 01_Système de chauffage
-
06.02 02_Installation refroidissement
-
06.03 03_Système de chauffage
-
06.04 04_Système de climatisation
-
06.05 05_Circuit commande embrayage
-
08.01 01_Revêtements intérieurs
-
08.02 02_Tunnel central - Levier de vitesses
-
08.03 03_Sièges avant
-
08.04 04_Ceintures de sécurité
-
08.05 05_Groupe d’instruments - Tableau de bord
-
08.06 06_Composants de la cabine
-
08.07 07_Groupe pedales
-
08.08 08_Leviers et transmissions
-
09.01 01_Volant
-
09.02 02_Rotule Direction
-
09.03 03_Suspension avant - Amortisseurs
-
09.04 04_Suspension arrière - Amortisseurs
-
09.05 05_Roues avant et arrière
-
09.06 06_Roue de secours - Trousse à outils
-
10.01 01_Tuyaux de frein avant - Maître-cylindre de frein
-
10.02 02_Tuyaux de frein arrière
-
10.03 03_Disques - Étriers - Plaquettes de frein
-
10.04 04_Mâchoires de frein
-
11.01 01_Inverseurs - Commutateurs - Boutons - Interrupteurs
-
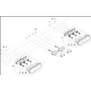
11.02 02_Eclairages avant - Clignotants
-
11.03 03_Eclairages arrière - Clignotants
-
11.04 04_Relais - Batterie - Avertisseur sonore
-
11.05 05_Boîtiers électroniques - Capteurs
-
11.06 06_Installation électrique avant
-
11.07 07_Installation électrique arrière
-
11.13 13_Dispositifs Airbag
-
11.14 14_Essuie-glaces avant et arrière
-
11.15 15_Système stéréo - e-call
-
12.01 01_Réservoir de carburant GPL (Short Range)
-
12.02 02_Tuyaux réservoir GPL (Short Range)
-
12.03 03_Groupe de câblages électriques GPL (Short Range)
-
12.04 04_Réservoir de carburant GPL (Long Range)
-
12.05 05_Tuyaux réservoir GPL (Long Range)
-
12.06 06_Groupe de câblages électriques GPL (Long Range)
-
13.01 01_Réservoir de carburant GNV (Short Range)
-
13.02 02_Réservoir de carburant GNV (Short Range)
-
13.03 03_Groupe de câblages électriques méthane (Short Range)
-
13.04 04_Réservoir de carburant GNV (Long Range)
-
13.05 05_Tuyaux réservoir GNV (Long Range)
-
13.06 06_Groupe de câblages électriques méthane (Long Range)