mobile menu icon P2R logo

Vehicle Exploded View - VESPA VESPA GTV 300 HPE E5 ABS RST 2023 (EMEA) VESPA

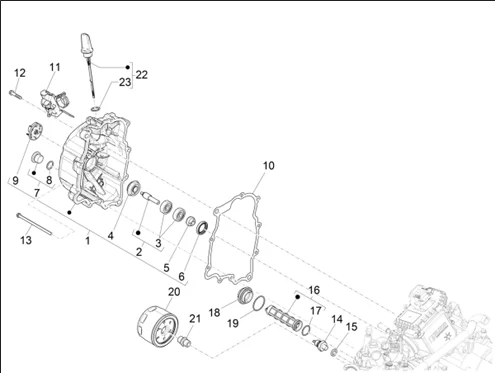
Moteur : 01.23 COUVERCLE VOLANT MAGNETIQUE - FILTRE À HUILE
Couvercle volant magnetique - Filtre à huile
Search
1A0128565 - COUVERCLE VOLANT MAGNETIQUE

1

P2R reference P2R reference
Maker reference Maker reference
More information

Quantity required : 1

WATER PUMP SHAFT- WITH BEARINGS "PIAGGIO GENUINE PART" COMMON TO ALL THE MAXISCOOTER RANGE 125-250-300 CC -8447595

2

P2R reference P2R reference
Maker reference Maker reference
More information

Quantity required : 1

BEARING FOR WATER PUMP SHAFT (28x8x9) "PIAGGIO GENUINE PART" 125-300 BEVERLY, VESPA GTS, 125 X9, X8, X10/APRILIA 125-250 SCARABEO, SPORT-CITY, ATLANTIC -82755R

3

P2R reference P2R reference
Maker reference Maker reference
More information

Quantity required : 2

WATER PUMP GASKET "PIAGGIO GENUINE PART" 125-250-300-400-500 MP3, 125-250 X7, X8, X-EVO, BEVERLY, X10/GILERA 125-250-300-500 NEXUS/APRILIA 125-300 SR-MAX -82991R

4

P2R reference P2R reference
Maker reference Maker reference
More information

Quantity required : 1

WATER PUMP DRIVE "PIAGGIO GENUINE PART" COMMON TO THE RANGE MAXISCOOTER 125-250-300 CC -842389

5

P2R reference P2R reference
Maker reference Maker reference
More information

Quantity required : 1

WATER PUMP GASKET (20x30x5) "PIAGGIO GENUINE PART" COMMON TO THE RANGE MAXISCOOTER 125-250-300 CC -82897R

6

P2R reference P2R reference
Maker reference Maker reference
More information

Quantity required : 1

TIMING CONTROL CAP - ON WATER PUMP HOUSING "PIAGGIO GENUINE PART" COMMON TO THE MAXISCOOTER RANGE -8290405

7

P2R reference P2R reference
Maker reference Maker reference
More information

Quantity required : 1

1A009397 - JOINT "OR"

8

P2R reference P2R reference
Maker reference Maker reference
More information

Quantity required : 1

WATER PUMP IMPELLER "PIAGGIO GENUINE PART" COMMON TO THE RANGE MAXISCOOTER 125-250-300 -844730

9

P2R reference P2R reference
Maker reference Maker reference
More information

Quantity required : 1

GASKET FOR IGNITION COVER "PIAGGIO GENUINE PART" 125-250-300 - INJECTION -840504

10

P2R reference P2R reference
Maker reference Maker reference
More information

Quantity required : 1

1A0183125 - ETRIER

11

P2R reference P2R reference
Maker reference Maker reference
More information

Quantity required : 1

SCREW - FOR CRANKCASE "PIAGGIO GENUINE PART" COMMON TO THE RANGE -414838

12

P2R reference P2R reference
Maker reference Maker reference
More information

Quantity required : 9

B016807 - VIS M6X112,5

13

P2R reference P2R reference
Maker reference Maker reference
More information

Quantity required : 1

SENSOR FOR OIL PRESSURE "PIAGGIO GENUINE PART" COMMON FOR ALL MAXISCOOTER AND MOTORBIKES (WITH ADAPTATOR 99327 FOR 1200 GRISO, NORGE, STELVIO, SPORT) -1D001138

14

P2R reference P2R reference
Maker reference Maker reference
More information

Quantity required : 1

1A011500 - RONDELLE

15

P2R reference P2R reference
Maker reference Maker reference
More information

Quantity required : 1

OIL FILTER STRAINER "PIAGGIO GENUINE PART" COMMON TO ALL MAXISCOOTERS 125-250-300 CC -843568

16

P2R reference P2R reference
Maker reference Maker reference
More information

Quantity required : 1

OIL FILTER GASKET "PIAGGIO GENUINE PART" PIAGGIO 125-250-300 X7, X8, X-EVO, X9, BEVERLY, MP3, FLY, VESPA GTS VESPA LX, VESPA PRIMAVERA/APRILIA 50-125 SR-MOTARD, SPORT-CITY/GILERA 500 FUOCO -288474

17

P2R reference P2R reference
Maker reference Maker reference
More information

Quantity required : 1

OIL FILTER PLUG "PIAGGIO GENUINE PART" COMMON TO ALL MAXISCOOTERS -826165

18

P2R reference P2R reference
Maker reference Maker reference
More information

Quantity required : 1

GASKET FOR DRAIN CAP "PIAGGIO GENUINE PART" 125-250-400-500 MP3, BEVERLY, X-EVO, X8, X9, 125 FLY, 125-500 X10/GILERA 125-500 NEXUS/APRILIA 125-400-500 ATLANTIC, SCARABEO -285536

19

P2R reference P2R reference
Maker reference Maker reference
More information

Quantity required : 1

FILTRE A HUILE MAXISCOOTER ORIGINE PIAGGIO 125-250-300 X7, X8, X-EVO, X9, X10, BEVERLY, MP3, FLY, VESPA GTS VESPA LX, VESPA PRIMAVERA/APRILIA ATLANTIC, SR MAX/GILERA NEXUS -1A022356

20

P2R reference P2R reference
Maker reference Maker reference
More information

Quantity required : 1

840507 - VIS

21

P2R reference P2R reference
Maker reference Maker reference
More information

Quantity required : 1

OIL LEVEL GAUGE "PIAGGIO GENUINE PART" 125 X10, VESPA GTS, BEVERLY, 300 MP3, BEVERLY -879081

22

P2R reference P2R reference
Maker reference Maker reference
More information

Quantity required : 1

1A009397 - JOINT "OR"

23

P2R reference P2R reference
Maker reference Maker reference
More information

Quantity required : 1

All the exploded views of this vehicle

Filter :
Or choose :