mobile menu icon P2R logo

Vehicle Exploded View - VESPA VESPA GTS 125 4T ie Super E3 2009-2016 VESPA

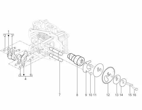
Moteur : 01.11 GROUPE SUPPORT BALANCIERS
Groupe support balanciers
Search
INTAKE ROCKER "PIAGGIO GENUINE PART" 125 MP3 2006>2013, MP3 300 2009>2015, X10 2012>2013, X EVO 2007>2016 -B0184835

1

P2R reference P2R reference
Maker reference Maker reference
Replaced by référence
More information

Quantity required : 1

B019352 - BALANCIER SOUPAPE SORTIE

1

P2R reference P2R reference
Maker reference Maker reference
More information

Quantity required : 1

484819 - ECROU

2

P2R reference P2R reference
Maker reference Maker reference
More information

Quantity required : 2

NUT - FOR ADJUSTING VALVES "PIAGGIO GENUINE PART" 125-250 X-EVO, VESPA GTS/MOTO-GUZZI - 1200CC, 1400 CC -879916

2

P2R reference P2R reference
Maker reference Maker reference
More information

Quantity required : 2

SCREW - "PIAGGIO GENUINE PART" COMMON TO THE RANGE MAXISCOOTER -82817R

3

P2R reference P2R reference
Maker reference Maker reference
More information

Quantity required : 2

EXHAUST ROCKER "PIAGGIO GENUINE PART" 125-250-300 MP3 2007>, VESPA GTS 2007>, 125 X-EVO 2007>, X9 2003>, X10 2012>/GILERA 125-250-300 NEXUS/APRILIA 125 ATLANTIC -B0184845

4

P2R reference P2R reference
Maker reference Maker reference
Replaced by référence
More information

Quantity required : 1

B019354 - BALANCIER SOUPAPE SORTIE

4

P2R reference P2R reference
Maker reference Maker reference
More information

Quantity required : 1

484819 - ECROU

5

P2R reference P2R reference
Maker reference Maker reference
More information

Quantity required : 2

NUT - FOR ADJUSTING VALVES "PIAGGIO GENUINE PART" 125-250 X-EVO, VESPA GTS/MOTO-GUZZI - 1200CC, 1400 CC -879916

5

P2R reference P2R reference
Maker reference Maker reference
More information

Quantity required : 2

SCREW - "PIAGGIO GENUINE PART" COMMON TO THE RANGE MAXISCOOTER -82817R

6

P2R reference P2R reference
Maker reference Maker reference
More information

Quantity required : 2

ROCKER PIN "PIAGGIO GENUINE PART" 125 MP3, X7, X8, X9, X-EVO, VESPA GTS/GILERA 125 NEXUS/APRILIA 125 ATLANTIC -486343

7

P2R reference P2R reference
Maker reference Maker reference
More information

Quantity required : 2

B019428 - AXE DU CULBUTEURS

7

P2R reference P2R reference
Maker reference Maker reference
More information

Quantity required : 2

CAMSHAFT "PIAGGIO GENUINE PART" 125 BEVERLY 4V 2010>, VESPA GTS, X10 -1A000610R5

8

P2R reference P2R reference
Maker reference Maker reference
More information

Quantity required : 1

CAMSHAFT "PIAGGIO GENUINE PART" 125 MP3, X10, X7, BEVERLY, VESPA GTS/GILERA 125 NEXUS/APRILIA 125 SR-MAX -8751215

8

P2R reference P2R reference
Maker reference Maker reference
More information

Quantity required : 1

877309 - T?LE

9

P2R reference P2R reference
Maker reference Maker reference
More information

Quantity required : 1

484123 - VIS

10

P2R reference P2R reference
Maker reference Maker reference
More information

Quantity required : 2

487832 - RONDELLE

11

P2R reference P2R reference
Maker reference Maker reference
More information

Quantity required : 1

877310 - RONDELLE

11

P2R reference P2R reference
Maker reference Maker reference
More information

Quantity required : 1

877771 - COURONNE

12

P2R reference P2R reference
Maker reference Maker reference
More information

Quantity required : 1

TIMING SYSTEM GEAR "PIAGGIO GENUINE PART" PIAGGIO 125-350 X10, BEVERLY, 125-250-300 VESPA GTS -B014970

12

P2R reference P2R reference
Maker reference Maker reference
More information

Quantity required : 1

830447 - RONDELLE

13

P2R reference P2R reference
Maker reference Maker reference
More information

Quantity required : 1

830446 - RONDELLE

14

P2R reference P2R reference
Maker reference Maker reference
More information

Quantity required : 1

018639 - VIS

15

P2R reference P2R reference
Maker reference Maker reference
More information

Quantity required : 1

1A003115 - VIS M5X25

16

P2R reference P2R reference
Maker reference Maker reference
More information

Quantity required : 1

All the exploded views of this vehicle

Filter :
Or choose :