mobile menu icon P2R logo

Vehicle Exploded View - APRILIA RS 660 4T Factory E5+2025 (EMEA) APRILIA

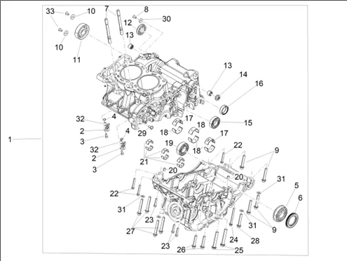
Moteur : 03.03 CARTERS I
Carters I
Search
1A0217275 - COMPLETE CRANKCASE

1

P2R reference P2R reference
Maker reference Maker reference
More information

Quantity required : 1

1A023499 - PISTON COOLING JET WITH I.P.

2

P2R reference P2R reference
Maker reference Maker reference
More information

Quantity required : 2

B018718 - VIS INC.M5X14

3

P2R reference P2R reference
Maker reference Maker reference
More information

Quantity required : 2

1A005178 - O-RING

4

P2R reference P2R reference
Maker reference Maker reference
More information

Quantity required : 2

1A011875 - BALL BEARING 30.62.16 WITH SNAP RING

5

P2R reference P2R reference
Maker reference Maker reference
More information

Quantity required : 1

1A013139 - SEAL RING

6

P2R reference P2R reference
Maker reference Maker reference
More information

Quantity required : 1

1A011257 - VIS SANS TETE

7

P2R reference P2R reference
Maker reference Maker reference
More information

Quantity required : 6

1A017040 - VIS TBEI BRIDEE M5X12

8

P2R reference P2R reference
Maker reference Maker reference
More information

Quantity required : 2

B016773 - VIS M8X50

9

P2R reference P2R reference
Maker reference Maker reference
Replaced by référence
More information

Quantity required : 9

873905 - RONDELLE

10

P2R reference P2R reference
Maker reference Maker reference
More information

Quantity required : 2

848651 - ROULEMENT

11

P2R reference P2R reference
Maker reference Maker reference
More information

Quantity required : 1

1A025098R - ROULEMENT A BILLES

12

P2R reference P2R reference
Maker reference Maker reference
More information

Quantity required : 1

B045224 - CAGE A ROULEAUX

13

P2R reference P2R reference
Maker reference Maker reference
More information

Quantity required : 1

GASKET FOR ENGINE CRANKCASE "PIAGGIO GENUINE PART" APRILIA 1000 RSV-4, TUONO -857127

14

P2R reference P2R reference
Maker reference Maker reference
More information

Quantity required : 1

1A011892 - BALL BEARING 25.47.12 WITH ONE SEALING

15

P2R reference P2R reference
Maker reference Maker reference
More information

Quantity required : 1

1A024177R - CAGE A ROUL.

16

P2R reference P2R reference
Maker reference Maker reference
More information

Quantity required : 1

1A0162430R - CRANKSHAFT HALF BEARING RED

17

P2R reference P2R reference
Maker reference Maker reference
More information

Quantity required : 2

1A0162430V - CRANKSHAFT HALF BEARING GREEN

17

P2R reference P2R reference
Maker reference Maker reference
More information

Quantity required : 2

1A0162430B - CRANKSHAFT HALF BEARING BLUE

17

P2R reference P2R reference
Maker reference Maker reference
Replaced by référence
More information

Quantity required : 2

1A0162430M - CRANKSHAFT HALF BEARING BROWN

17

P2R reference P2R reference
Maker reference Maker reference
More information

Quantity required : 2

1A0162430G - CRANKSHAFT HALF BEARING YELLOW

17

P2R reference P2R reference
Maker reference Maker reference
More information

Quantity required : 2

1A0252050B - CRANKSHAFT HALF BEARING

17

P2R reference P2R reference
Maker reference Maker reference
More information

Quantity required : 2

1A0252060B - CRANKSHAFT HALF BEARING BLU

18

P2R reference P2R reference
Maker reference Maker reference
More information

Quantity required : 4

1A0162440M - CRANKSHAFT HALF BEARING BROWN

18

P2R reference P2R reference
Maker reference Maker reference
More information

Quantity required : 4

1A0162440V - CRANKSHAFT HALF BEARING GREEN

18

P2R reference P2R reference
Maker reference Maker reference
More information

Quantity required : 4

1A0252060G - CRANKSHAFT HALF BEARING GIALLO

18

P2R reference P2R reference
Maker reference Maker reference
More information

Quantity required : 4

1A0162440R - CRANKSHAFT HALF BEARING RED

18

P2R reference P2R reference
Maker reference Maker reference
More information

Quantity required : 4

1A020897 - BALL BEARING 25X52X15 WITH STOPPER/RING

19

P2R reference P2R reference
Maker reference Maker reference
More information

Quantity required : 1

857427 - GOUPILLE

20

P2R reference P2R reference
Maker reference Maker reference
More information

Quantity required : 2

1A019559N - COUNTERSHAFT HALF BEARING

21

P2R reference P2R reference
Maker reference Maker reference
Replaced by référence
More information

Quantity required : 1

1A019559G - COUNTERSHAFT HALF BEARING

21

P2R reference P2R reference
Maker reference Maker reference
More information

Quantity required : 1

1A025207R - COUNTERSHAFT HALF BEARING

21

P2R reference P2R reference
Maker reference Maker reference
More information

Quantity required : 1

1A025207B - COUNTERSHAFT HALF BEARING

21

P2R reference P2R reference
Maker reference Maker reference
More information

Quantity required : 6

1A011120 - VIS

22

P2R reference P2R reference
Maker reference Maker reference
More information

Quantity required : 3

SCREW - M6X30 "PIAGGIO GENUINE PART" COMMON TO ALL THE RANGE MAXISCOOTER -B016792

23

P2R reference P2R reference
Maker reference Maker reference
More information

Quantity required : 4

434429 - VIS

24

P2R reference P2R reference
Maker reference Maker reference
More information

Quantity required : 1

1A015658 - FLANGED HEXAGONAL HEAD SCREW

25

P2R reference P2R reference
Maker reference Maker reference
More information

Quantity required : 6

SCREW 8x45 for chain guide "PIAGGIO GENUINE PARTS" GILERA 50 SMT, RCR/APRILIA 50 SX, RX -B016805

26

P2R reference P2R reference
Maker reference Maker reference
More information

Quantity required : 2

874747 - VIS

27

P2R reference P2R reference
Maker reference Maker reference
More information

Quantity required : 4

1A011120 - VIS

28

P2R reference P2R reference
Maker reference Maker reference
More information

Quantity required : 1

1A017040 - VIS TBEI BRIDEE M5X12

29

P2R reference P2R reference
Maker reference Maker reference
More information

Quantity required : 1

1A025750 - PLAQUETTE

30

P2R reference P2R reference
Maker reference Maker reference
More information

Quantity required : 1

106009 - RONDELLE

31

P2R reference P2R reference
Maker reference Maker reference
Replaced by référence
More information

Quantity required : 6

B045126 - CLAPET SURETE

32

P2R reference P2R reference
Maker reference Maker reference
More information

Quantity required : 2

B013608 - VIS

33

P2R reference P2R reference
Maker reference Maker reference
More information

Quantity required : 2

All the exploded views of this vehicle

Filter :
Or choose :