Eclatés de véhicule - VESPA VESPA PRIMAVERA 50 Vespa Primavera Elettrica 45 Km-h 2023 (EMEA)
Tous les éclatés de ce véhicule
Filtrer :
Ou choisissez :
-
-
01.01 0
-
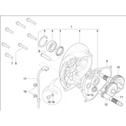
01.02 Componenti motore elettrico
-
01.03 COUVERCLE DE CARTER
-
01.04 Ensemble réducteur
-
01.05 Frein posterieur - Mâchoire
-
02.01 Châssis/coque
-
02.02 Béquille/s
-
02.03 Tablier avant
-
02.04 Coffre avant - Contre-tablier
-
02.05 Protection centrale - Repose-pieds
-
02.06 Couvertures laterales - Spoiler
-
02.07 Logement roue - Garde boue
-
02.08 Logement casque - Dessous de selle
-
02.09 Couvercle arrière - Pare-boue
-
02.10 Monogrammes - Decorations
-
02.11 Selle - trousse d'outilis
-
02.12 Porte-bagages arrière
-
02.13 Rétroviseurs
-
02.14 Serrures
-
03.01 Guidon - Maître cylindre
-
03.02 Couvertures guidon
-
03.03 Groupe instruments - Cruscotto
-
04.01 Bras oscillant
-
04.04 Suspension avant - Amortisseurs
-
04.05 Suspension arrière - Amortisseurs
-
04.06 Roue avant
-
04.07 Roue arrière
-
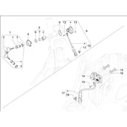
05.01 Tuyaus du freins - Etriers de frein
-
05.02 Transmisisons
-
06.01 Inverseurs - Commutateurs - Boutons - Interrupteurs
-
06.02 Eclairages avant - Clignotants
-
06.03 Eclairages arrière - Clignotants
-
06.04 Batteria di trazione
-
06.06 Boîtiers électroniques - Capteurs
-
06.07 Circuit électrique