Vehicle Exploded View - APRILIA SCARABEO 125 E3 Mot Piaggio 2006
All the exploded views of this vehicle
Filter :
Or choose :
-
-
28.01 Chassis
-
28.02 Béquille
-
28.03 Fourche - Base avec tube
-
28.04 Fourche showa tiges,fourreaux
-
28.05 Fourche marzocchi tiges,fourreaux
-
28.06 Fourche kaifa tiges,fourreaux
-
28.07 Biellette
-
28.08 Châssis
-
28.09 Carrosserie av. - Coupole
-
28.10 Carrosserie av. - Garde-boue AV
-
28.11 Carrosserie av. - Frontal
-
28.12 Carrosserie av. - Tablier AV.
-
28.13 Carrosserie av. - Tablier interne
-
28.14 Carrosserie centrale I
-
28.15 Carrosserie centrale II
-
28.16 Dessous selle
-
28.17 Groupe selle
-
28.18 Carrosserie posterieure I
-
28.19 Carrosserie posterieure II
-
28.20 Carrosserie posterieure III
-
28.21 Coffre
-
28.22 Tableau de bord
-
28.23 Guidon
-
28.24 Commandes gche
-
28.25 Commandes dte
-
28.26 Sys.frein avant/arrière
-
28.27 Radiateur
-
28.28 Installation refroidissement
-
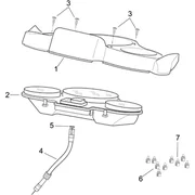
28.29 Reservoir carburant
-
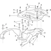
28.30 Corps filtre
-
28.36 Groupe d’echappement
-
28.37 Roue Av.
-
28.38 Pince AV
-
28.39 Roue arrière
-
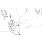
28.40 Pince AR
-
28.41 Feu avant
-
28.42 Feu arrière
-
28.43 Circuit electrique I
-
28.44 Circuit electrique II
-
28.45 Kit serrure
-
29.31 Carburateur I
-
29.32 Carburateur II
-
29.33 Carburateur III
-
29.34 Air secondaire
-
29.35 Moteur
-
29.46 Carter moteur
-
29.47 Arbre moteur
-
29.48 Cylindre
-
29.49 Culasse
-
29.50 Arbre à cames
-
29.51 Soupape reniflard huile
-
29.52 Tendeur de chaîne
-
29.53 Filtre à huile
-
29.54 Embrayage
-
29.55 Pompe huile
-
29.56 Transmission
-
29.57 Groupe variateur
-
29.59 Poulie dentée
-
29.60 Démarreur
-
29.61 Couvercle variateur
-
30.62 Acc. - Pare-brise
-
30.63 Acc top cases,valises lat
-
30.64 Acc. - Varié I
-
30.65 Acc. - Antivol