Vehicle Exploded View - APRILIA SCARABEO 125 E2 Mot Piaggio 2003
All the exploded views of this vehicle
Filter :
Or choose :
-
-
28.01 Chassis
-
28.02 Béquille
-
28.03 Fourche - Base avec tube
-
28.04 Fourche showa tiges,fourreaux
-
28.05 Fourche marzocchi tiges,fourreaux
-
28.06 Fourche kaifa tiges,fourreaux
-
28.07 Biellette
-
28.08 Suspension arriere
-
28.09 Carrosserie av. - Coupole
-
28.10 Carrosserie av. - Prot-main
-
28.11 Carrosserie av. - Garde-boue AV
-
28.12 Carrosserie av. - Frontal
-
28.13 Carrosserie av. - Tablier AV.
-
28.14 Carrosserie av. - Tablier interne
-
28.15 Carrosserie centrale I
-
28.16 Carrosserie centrale II
-
28.17 Dessous selle
-
28.18 Groupe selle
-
28.19 Carrosserie posterieure I
-
28.20 Carrosserie posterieure II
-
28.21 Coffre
-
28.22 Tableau de bord
-
28.23 Guidon
-
28.24 Commandes gche
-
28.25 Commandes dte
-
28.26 Radiateur
-
28.27 Installation refroidissement
-
28.28 Reservoir carburant
-
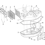
28.29 Corps filtre
-
28.33 Air secondaire
-
28.35 Groupe d’echappement
-
28.36 Roue Av.
-
28.37 Pince AV
-
28.38 Roue arrière
-
28.39 Pince AR
-
28.40 Feu avant
-
28.41 Feu arrière
-
28.42 Circuit electrique I
-
28.43 Circuit electrique II
-
28.44 Kit serrure
-
28.45 Plaquette et manuels
-
29.30 Carburateur I
-
29.31 Carburateur II
-
29.32 Carburateur III
-
29.34 Moteur
-
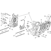
29.46 Carter moteur
-
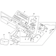
29.47 Arbre moteur
-
29.48 Cylindre
-
29.49 Culasse
-
29.50 Arbre à cames
-
29.51 Soupape reniflard huile
-
29.52 Tendeur de chaîne
-
29.53 Filtre à huile
-
29.54 Embrayage
-
29.55 Pompe huile
-
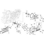
29.56 Transmission
-
29.57 Groupe variateur
-
29.58 Poulie dentée
-
29.59 Démarreur
-
29.60 Couvercle variateur
-
29.61 Volant magnétique
-
30.62 Acc. - Pare-brise
-
30.63 Acc top cases,valises lat
-
30.64 Acc. - Varié I
-
30.65 Acc. - Varié II
-
30.66 Acc. - Antivol