mobile menu icon P2R logo

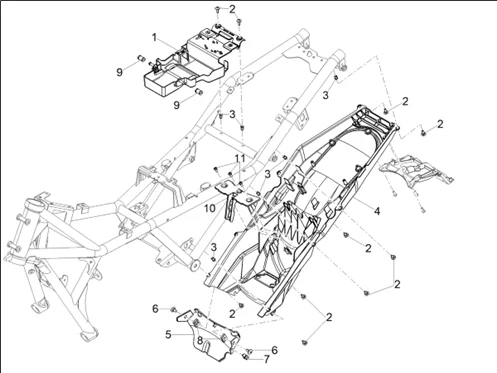
Vehicle Exploded View - MOTO-GUZZI V85 850 TT E5+ 2024 (EMEA) MOTO-GUZZI

Carrosserie : 02.13 LOGEMENT SOUS-SELLE
Logement sous-selle
Search
2B005443 - SUPPORT BATTERIE

1

P2R reference P2R reference
Maker reference Maker reference
More information

Quantity required : 1

2B014101 - INOX HEXAGON COCKET SCREWS M5X12

2

P2R reference P2R reference
Maker reference Maker reference
More information

Quantity required : 10

SCREW - FOR FAIRINGS FASTENING "PIAGGIO GENUINE PART" COMMON TO THE RANGE -AP8152302

2

P2R reference P2R reference
Maker reference Maker reference
Replaced by référence
More information

Quantity required : 10

AP8201755 - RIVET FILETE

3

P2R reference P2R reference
Maker reference Maker reference
More information

Quantity required : 10

2B011780 - SEAT SUPPORT LOWER COVER

4

P2R reference P2R reference
Maker reference Maker reference
More information

Quantity required : 1

2B005846 - PASSATUBO FRENO ANTERIORE

5

P2R reference P2R reference
Maker reference Maker reference
More information

Quantity required : 1

SCREW - (5x9) "PIAGGIO GENUINE PART" COMMON TO THE RANGE MOTORBIKE -AP8150500

6

P2R reference P2R reference
Maker reference Maker reference
More information

Quantity required : 2

2B004088 - SERRE-CABLES

7

P2R reference P2R reference
Maker reference Maker reference
More information

Quantity required : 1

CLIP M5 "PIAGGIO GENUINE PART" COMMON TO ALL THE RANGE -AP8102375

8

P2R reference P2R reference
Maker reference Maker reference
More information

Quantity required : 1

109355 - PASSE CABLE

9

P2R reference P2R reference
Maker reference Maker reference
More information

Quantity required : 2

2B011781 - BATTERY HOLDER

10

P2R reference P2R reference
Maker reference Maker reference
More information

Quantity required : 1

AP8150509 - VIS TARAUD 5X14

11

P2R reference P2R reference
Maker reference Maker reference
More information

Quantity required : 3

All the exploded views of this vehicle

Filter :
Or choose :