Vehicle Exploded View - MOTO-GUZZI V11 1100 Cat 1100 2003-2004
All the exploded views of this vehicle
Filter :
Or choose :
-
-
33.05 Alimentation
-
33.06 Pompe ess. interne
-
33.08 Corps filtre
-
33.09 Groupe echappement
-
33.10 Radiateur huile
-
33.18 Levier boîte de vitesses
-
33.19 Transmission cpl. I
-
33.20 Transmission cpl. II
-
33.21 Chassis
-
33.22 Béquille latérale-Repose Pieds
-
33.23 Réservoir essence
-
33.24 Sys.récup.vap.ess.
-
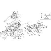
33.25 Carrosserie av. I
-
33.26 Carrosserie av. II
-
33.27 Garde-boue AV
-
33.28 Selle - Queue de carenage
-
33.29 Cadre ar. - Porte plaque
-
33.30 Carrosserie posterieure
-
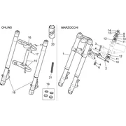
33.31 Fourche Av. I
-
33.32 Fourche Av. II Marzocchi
-
33.33 Bras oscillant et suspension ar.
-
33.34 Roue Av.
-
33.35 Roue arrière
-
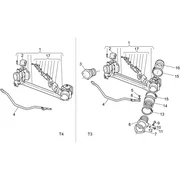
33.36 Sys.frein avant
-
33.37 Sys.frein arrière
-
33.38 Commande embrayage cpl
-
33.39 Guidon - Commandes
-
33.40 Tableau de bord
-
33.41 Phare avant SPORT
-
33.42 Phare avant LM-RC-NC
-
33.43 Feu arrière
-
33.46 Circuit electrique injection
-
33.47 Circuit electrique
-
34.01 Carter
-
34.02 Culasse et soupapes
-
34.03 Arbre moteur cpl.
-
34.04 Distribution
-
34.07 Corps à papillon
-
34.11 Alimentation - Pompe Huil
-
34.12 Filtres à huile
-
34.13 Embrayage
-
34.14 Carter de boîte vitesses
-
34.15 Selecteur boîte de vitesses
-
34.16 ARBRE PRIMAIRE BOITE DE VITESSES
-
34.17 Arbre secondaire
-
34.44 Alternateur - Régul.
-
34.45 Démarreur
-
36.48 Specific tools I
-
36.49 Specific tools II
-
36.50 Specific tools III