mobile menu icon P2R logo

Vehicle Exploded View - APRILIA TUAREG 660 Tuareg 660 E5 ABS 2021-23 (EMEA-GSO) APRILIA

Moteur : 03.01 MOTEUR-GROUPE COMPLEMENTAIRE
Moteur-Groupe complementaire
Search
CM2966186 - LIGHT EMEA APRILIA TUAREG PROD. ENGINE

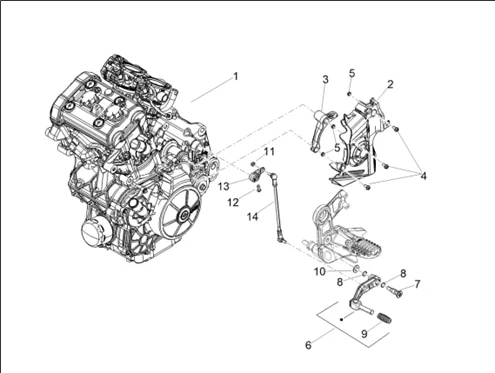
1

P2R reference P2R reference
Maker reference Maker reference
More information

Quantity required : 1

2B007311 - CARTER DE PIGNON

2

P2R reference P2R reference
Maker reference Maker reference
More information

Quantity required : 1

2B005886 - CRANKCASE PROTECTION

3

P2R reference P2R reference
Maker reference Maker reference
More information

Quantity required : 1

AP8152277 - VIS BRIDE

4

P2R reference P2R reference
Maker reference Maker reference
More information

Quantity required : 3

AP8121811 - "DOUILLE EN ""T"""

5

P2R reference P2R reference
Maker reference Maker reference
More information

Quantity required : 3

2B009924 - LEVIER COMMANDE VITESSES CPL.

6

P2R reference P2R reference
Maker reference Maker reference
More information

Quantity required : 1

2B012762 - PIVOT MAN.FREIN ARR.

7

P2R reference P2R reference
Maker reference Maker reference
More information

Quantity required : 1

REAR BRAKE PEDAL PIN "PIAGGIO GENUINE PART" COMMON TO THE RANGE MOTO APRILIA ET MOTO-GUZZI -884033

7

P2R reference P2R reference
Maker reference Maker reference
Replaced by référence
More information

Quantity required : 1

AP8144007 - JOINT TORIQUE

8

P2R reference P2R reference
Maker reference Maker reference
More information

Quantity required : 2

LEVER RUBBER for REAR BRAKE LEVER "PIAGGIO GENUINE PART" FOR MOTO-GUZZI 850-1200 NORGE, BREVA, 1200 SPORT -AP8120912

9

P2R reference P2R reference
Maker reference Maker reference
More information

Quantity required : 1

AP8150020 - RONDELLE

10

P2R reference P2R reference
Maker reference Maker reference
More information

Quantity required : 1

AP8150430 - ECROU AUTOFR. BAS

11

P2R reference P2R reference
Maker reference Maker reference
More information

Quantity required : 1

SCREW - (6X20) "PIAGGIO GENUINE PART" COMMON TO THE RANGE -AP8150044

12

P2R reference P2R reference
Maker reference Maker reference
More information

Quantity required : 1

2B010035 - GEARSHIFT CONTROL LEVER

13

P2R reference P2R reference
Maker reference Maker reference
More information

Quantity required : 1

2B009321 - ASSEMBLED GEAR SHIFT ROD

14

P2R reference P2R reference
Maker reference Maker reference
More information

Quantity required : 2

All the exploded views of this vehicle

Filter :
Or choose :