mobile menu icon P2R logo

Vehicle Exploded View - APRILIA RS 660 4T 8V E5 ABS 2023 (EMEA) APRILIA

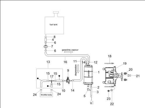
Réservoir : 09.02 SYS.RÉCUP.VAP.ESS.
Sys.récup.vap.ess.
Search
2B002632 - CANISTER

1

P2R reference P2R reference
Maker reference Maker reference
More information

Quantity required : 1

AP8120179 - COLLIER

2

P2R reference P2R reference
Maker reference Maker reference
More information

Quantity required : 1

896570 - TUYAU

3

P2R reference P2R reference
Maker reference Maker reference
More information

Quantity required : 1

2B007476 - TUYAU DE RESERVOIR-RACCORD

4

P2R reference P2R reference
Maker reference Maker reference
More information

Quantity required : 1

AP8127601 - PIPETTA

5

P2R reference P2R reference
Maker reference Maker reference
More information

Quantity required : 1

AP8102738 - COLLIER SERR. TUBE

6

P2R reference P2R reference
Maker reference Maker reference
More information

Quantity required : 2

CM179008 - VOLET

7

P2R reference P2R reference
Maker reference Maker reference
More information

Quantity required : 1

AP8120446 - COLLIER CLIC

8

P2R reference P2R reference
Maker reference Maker reference
More information

Quantity required : 1

B018242 - VALVE COMPLETE

9

P2R reference P2R reference
Maker reference Maker reference
More information

Quantity required : 1

AP8102239 - COLLIER CLIC

10

P2R reference P2R reference
Maker reference Maker reference
More information

Quantity required : 1

2B008078 - PURGE CANISTER 3 16 SAE30 R12A HOSE

11

P2R reference P2R reference
Maker reference Maker reference
More information

Quantity required : 1

AP8102738 - COLLIER SERR. TUBE

12

P2R reference P2R reference
Maker reference Maker reference
More information

Quantity required : 1

2B007484 - ENSEMBLE TUYAU SHED

13

P2R reference P2R reference
Maker reference Maker reference
More information

Quantity required : 1

AP8102765 - COLLIER CLIC, BLANC

14

P2R reference P2R reference
Maker reference Maker reference
More information

Quantity required : 1

CM001901 - COLLIER

15

P2R reference P2R reference
Maker reference Maker reference
More information

Quantity required : 2

2B007475 - TUYAU CANISTER / SOUPAPE

16

P2R reference P2R reference
Maker reference Maker reference
More information

Quantity required : 1

AP8104666 - RACCORD 3 VOIES

17

P2R reference P2R reference
Maker reference Maker reference
More information

Quantity required : 1

AP8120657 - COLLIER

18

P2R reference P2R reference
Maker reference Maker reference
More information

Quantity required : 2

2B005723 - CANISTER SUPPORT

19

P2R reference P2R reference
Maker reference Maker reference
More information

Quantity required : 1

CM013203 - RESSORT

20

P2R reference P2R reference
Maker reference Maker reference
More information

Quantity required : 5

CLIP M5 "PIAGGIO GENUINE PART" COMMON TO ALL THE RANGE -AP8102375

21

P2R reference P2R reference
Maker reference Maker reference
More information

Quantity required : 1

AP8121032 - DOUILLE

22

P2R reference P2R reference
Maker reference Maker reference
More information

Quantity required : 1

AP8152278 - VIS BRIDE M6X16

23

P2R reference P2R reference
Maker reference Maker reference
More information

Quantity required : 1

CM001911 - HOSE CLIP

24

P2R reference P2R reference
Maker reference Maker reference
More information

Quantity required : 2

All the exploded views of this vehicle

Filter :
Or choose :