Vehicle Exploded View - MOTO-GUZZI BREVA 1100 Breva V IE 1100 2005-2007
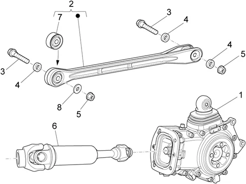
Chassis : 33.09 TRANSMISSION CPL.
Search
All the exploded views of this vehicle
Filter :
Or choose :
-
-
33.01 Chassis
-
33.02 Bequille
-
33.03 Repose-pieds i
-
33.04 Repose-Pieds II
-
33.05 Levier boîte de vitesses
-
33.06 Direction
-
33.07 Fourche av.
-
33.08 Fourche arriere
-
33.09 Transmission cpl.
-
33.10 Trans.cpl.-Vitesses
-
33.11 Trans.cpl.-couple conique
-
33.12 Biellette et der. amortisseur
-
33.13 Reservoir essence
-
33.14 Carrosserie av. - convoyeur
-
33.15 Garde boue av-embas.
-
33.16 Selle-carrosserie cent.
-
33.17 Carrosserie arriere - garde-boue
-
33.18 Carr. arriere - qu.car
-
33.19 Tableau de bord
-
33.20 Guidon - commandes
-
33.21 Mait. cyl. frein av
-
33.22 Commande embrayage cpl
-
33.23 Radiateur huile
-
33.24 Installation blow-by
-
33.25 Alimentation
-
33.26 Corps filtre
-
33.27 Groupe echappement
-
33.28 Pompe ess. interne
-
33.29 Roue av.
-
33.30 Pince frein avant
-
33.31 Roue arriere
-
33.32 Mait.cyl. frein ar
-
33.33 Pince frein ar
-
33.34 Feu av/klaxon
-
33.35 Feu arrière
-
33.36 Circuit electrique i
-
33.37 Circuit electrique ii
-
33.38 Kit serrure
-
33.39 Plaquettes-decal.
-
33.57 Sys.recup.vap.ess.
-
33.60 Systeme frein abs
-
34.40 Carter
-
34.41 Culasse et soupapes I
-
34.42 Culasse et soupapes ii
-
34.43 Arbre moteur cpl.
-
34.44 Distribution
-
34.45 Pompe huile i
-
34.46 Pompe huile ii
-
34.47 Filtres à huile
-
34.48 Embrayage
-
34.49 Carter de boite vitesses
-
34.50 Selecteur boite de vitesses
-
34.51 ARBRE PRIMAIRE BOITE DE VITESSES
-
34.52 Arbre secondaire
-
34.53 Arbre embrayage
-
34.54 Générateur de courant
-
34.55 Démarreur
-
34.56 Corps à papillon
-
36.58 Specific tools i
-
36.59 Specific tools ii