Icone menu mobile Logo P2R
Créer un compte

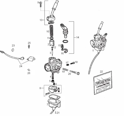
Eclatés de véhicule - DERBI SENDA SM 50 SENDA SM X-TREM 2007 E2 4ver DERBI

Tables : 21 CARBURATEUR
Carburateur
Rechercher
ZZZ 8647235 - CARBURATEUR CPL. - Produit non remplacement non défini

1

Référence P2R Référence P2R
Référence constructeur Référence constructeur
Plus d'informations

Quantité requise : 1

CM149905 - CARBURATEUR

1

Référence P2R Référence P2R
Référence constructeur Référence constructeur
Plus d'informations

Quantité requise : 1

CARBURATEUR ORIGINE DERBI 50 SENDA 2006>2010/GILERA 50 SMT 2006>2010, RCR 2006>2010 -CM152702

1

Référence P2R Référence P2R
Référence constructeur Référence constructeur
Plus d'informations

Quantité requise : 1

00F03201211 - BOISSEAU

2

Référence P2R Référence P2R
Référence constructeur Référence constructeur
Plus d'informations

Quantité requise : 1

VOLET/BOISSEAU DE GAZ ORIGINE PIAGGIO COMMUN A LA GAMME SCOOTER 50 CC -CM141710

2

Référence P2R Référence P2R
Référence constructeur Référence constructeur
Plus d'informations

Quantité requise : 1

AIGUILLE CARBURATEUR ORIGINE DERBI 50 SENDA 2006>/GILERA 50 SMT, RCR 2006> /APRILIA 50 SX, RX, RS 2006> -CM107514

3

Référence P2R Référence P2R
Référence constructeur Référence constructeur
Plus d'informations

Quantité requise : 1

CM106217 - MELANGEUR 211-GA

4

Référence P2R Référence P2R
Référence constructeur Référence constructeur
Plus d'informations

Quantité requise : 1

MELANGEUR "208 HA" CARBURATEUR (CM152701) ORIGINE PIAGGIO 50 A BOITE -CM106229

4

Référence P2R Référence P2R
Référence constructeur Référence constructeur
Plus d'informations

Quantité requise : 1

DIFFUSEUR (208 HM) ORIGINE PIAGGIO 50 GILERA SMT, RCR 2003/DERBI SENDA SM X-TREME 2007>2008 -00H03208421

4

Référence P2R Référence P2R
Référence constructeur Référence constructeur
Plus d'informations

Quantité requise : 1

ZZZ 00H03208031 - GICLEUR DE 70

5

Référence P2R Référence P2R
Référence constructeur Référence constructeur
Plus d'informations

Quantité requise : 1

00H03215031 - GICLEUR PRINCIPAL 63

5

Référence P2R Référence P2R
Référence constructeur Référence constructeur
Plus d'informations

Quantité requise : 1

862041 - R-SURTIDOR MAX.93 SENDA

5

Référence P2R Référence P2R
Référence constructeur Référence constructeur
Plus d'informations

Quantité requise : 1

00H04101181 - R-GICLEUR MINIMUM. D.32 SE

6

Référence P2R Référence P2R
Référence constructeur Référence constructeur
Plus d'informations

Quantité requise : 1

CM102104 - GIGLEUR MIN 33

6

Référence P2R Référence P2R
Référence constructeur Référence constructeur
Plus d'informations

Quantité requise : 1

CUVE DE CARBURATEUR ORIGINE DERBI 50 SENDA 2010< -847519

7

Référence P2R Référence P2R
Référence constructeur Référence constructeur
Plus d'informations

Quantité requise : 1

CUVE CARBURATEUR SCOOT ORIGINE PIAGGIO 50 ZIP, NRG, LIBERTY, TYPHOON, FLY, VESPA LX, VESPA-S,/GILERA 50 RUNNER, STALKER, SMT, RCR/APRILIA 50 SR, DERBI SENDA -484704

7

Référence P2R Référence P2R
Référence constructeur Référence constructeur
Plus d'informations

Quantité requise : 1

FLOTTEUR, POINTEAU ET AXE DE CUVE POUR CARBURATEUR ORIGINE PIAGGIO COMMUN A LA GAMME SCOOTER 50 2T -482916

8

Référence P2R Référence P2R
Référence constructeur Référence constructeur
Plus d'informations

Quantité requise : 1

00G03200061 - R-BOUL.SER.COUV.CHAMBRE MEL

9

Référence P2R Référence P2R
Référence constructeur Référence constructeur
Plus d'informations

Quantité requise : 1

RESSORT DE BOISSEAU ORIGINE PIAGGIO 50 TYPHOON, ZIP, LIBERTY, NRG, FLY/ DERBI SENDA 2000>/GILERA 50 RCR, SMT, STALKER, RUNNER -482942

10

Référence P2R Référence P2R
Référence constructeur Référence constructeur
Plus d'informations

Quantité requise : 1

BAGUE DE GUIDAGE AIGUILLE ORIGINE PIAGGIO COMMUN A LA GAMME SCOOTER 50 CC -288873

11

Référence P2R Référence P2R
Référence constructeur Référence constructeur
Plus d'informations

Quantité requise : 1

CIRCLIPS D'AIGUILLE DE CARBURATEUR ORIGINE PIAGGIO COMMUN A LA GAMME SCOOTER -288872

12

Référence P2R Référence P2R
Référence constructeur Référence constructeur
Plus d'informations

Quantité requise : 1

COUVERCLE CARBURATEUR ORIGINE PIAGGIO 50 GILERA SMT, RCR/DERBI SENDA 2000>2010/APRILIA RS, SX, RX 2006>2010 -00H03204231

13

Référence P2R Référence P2R
Référence constructeur Référence constructeur
Plus d'informations

Quantité requise : 1

STARTER ORIGINE PIAGGIO GILERA 50 SMT, RCR 2006>/APRILIA 50 SX, RX 2006>  -CM146201-

14

Référence P2R Référence P2R
Référence constructeur Référence constructeur
Plus d'informations

Quantité requise : 1

VIS DE CARBURATEUR ORIGINE PIAGGIO COMMUN A LA GAMME -00G03200541

15

Référence P2R Référence P2R
Référence constructeur Référence constructeur
Plus d'informations

Quantité requise : 1

PLAQUETTE DE MAINTIEN STARTER ORIGINE PIAGGIO GILERA 50 SMT, RCR1998>2005/DERBI 50 SENDA 2000>2011 -00G03200551

16

Référence P2R Référence P2R
Référence constructeur Référence constructeur
Plus d'informations

Quantité requise : 1

VIS REGLAGE AIR ORIGINE PIAGGIO COMMUN A LA GAMME -00G03200721

17

Référence P2R Référence P2R
Référence constructeur Référence constructeur
Plus d'informations

Quantité requise : 1

VIS REGLAGE AIR ORIGINE PIAGGIO COMMUN A LA GAMME -00G03200731

18

Référence P2R Référence P2R
Référence constructeur Référence constructeur
Plus d'informations

Quantité requise : 1

RESSORT VIS AIR CARBU ORIGINE PIAGGIO COMMUN A LA GAMME -152608

19

Référence P2R Référence P2R
Référence constructeur Référence constructeur
Plus d'informations

Quantité requise : 1

VIS REGLAGE PAPILLON DE GAZ ORIGINE PIAGGIO COMMUN A LA GAMME SCOOTER 50 CC 2T -828074

20

Référence P2R Référence P2R
Référence constructeur Référence constructeur
Plus d'informations

Quantité requise : 1

ZZZ 00G03201091 - R-BOUL.SERG.VASE ESSENC.

21

Référence P2R Référence P2R
Référence constructeur Référence constructeur
Plus d'informations

Quantité requise : 1

POCHETTE/KIT JOINTS DE CARBURATEUR DELORTO ORIGINE PIAGGIO COMMUN A LA GAMME SCOOTER 50 CC 2T (POCHETTE) -498409

22

Référence P2R Référence P2R
Référence constructeur Référence constructeur
Plus d'informations

Quantité requise : 1

ZZZ 00A00900531 - COLLIER

23

Référence P2R Référence P2R
Référence constructeur Référence constructeur
Plus d'informations

Quantité requise : 1

00H06001151 - KIT CHAUFFE CARBURATEUR

24

Référence P2R Référence P2R
Référence constructeur Référence constructeur
Plus d'informations

Quantité requise : 1

VIS CRUCIFORME (6x16) MAINTIEN TABLEAU DE BORD OU COQUE ARRIERE ORIGINE PIAGGIO APRILIA 50 RS 2006>2010 -00F05900041

25

Référence P2R Référence P2R
Référence constructeur Référence constructeur
Plus d'informations

Quantité requise : 1

ECROU TOLE (M6) ORIGINE PIAGGIO COMMUN A LA GAMME -254485

26

Référence P2R Référence P2R
Référence constructeur Référence constructeur
Plus d'informations

Quantité requise : 1

Tous les éclatés de ce véhicule

Filtrer :
Ou choisissez :