Icone menu mobile Logo P2R
Créer un compte

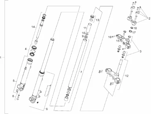
Eclatés de véhicule - DERBI SENDA R 125 Senda R 125 Baja 4T E2 2006 - Baja E3 2007-2009 DERBI

Tables : 2 FOURCHE AV.
Fourche Av.
Rechercher
ZZZ 00H00233001 - FOURCHE DIRITICE - Produit non remplacement non défini

1

Référence P2R Référence P2R
Référence constructeur Référence constructeur
Plus d'informations

Quantité requise : 1

00H00204741 - COLLIER FIXATION GUIDON

2

Référence P2R Référence P2R
Référence constructeur Référence constructeur
Plus d'informations

Quantité requise : 1

ZZZ 00H02001841 - COLLIER FIXATION - Produit non remplacement non défini

3

Référence P2R Référence P2R
Référence constructeur Référence constructeur
Plus d'informations

Quantité requise : 1

00H00205231 - POUSSIERE

4

Référence P2R Référence P2R
Référence constructeur Référence constructeur
Plus d'informations

Quantité requise : 1

ZZZ 00H02018031 - BOUCHON DROITE - Produit non remplacement non défini

5

Référence P2R Référence P2R
Référence constructeur Référence constructeur
Plus d'informations

Quantité requise : 1

ZZZ 00H02018041 - BOUCHON GAUCHE - Produit non remplacement non défini

6

Référence P2R Référence P2R
Référence constructeur Référence constructeur
Plus d'informations

Quantité requise : 1

ZZZ 00H02004871 - BARRE DE FOURCHE - Produit non remplacement non défini

7

Référence P2R Référence P2R
Référence constructeur Référence constructeur
Plus d'informations

Quantité requise : 1

ZZZ 00H02001741 - VIS - Produit non remplacement non défini

8

Référence P2R Référence P2R
Référence constructeur Référence constructeur
Plus d'informations

Quantité requise : 1

ZZZ 00H00214171 - RESSORT DE FOURCHE - Produit non remplacement non défini

9

Référence P2R Référence P2R
Référence constructeur Référence constructeur
Plus d'informations

Quantité requise : 1

ZZZ 00H00203691 - RONDELLE RESSORT DE FOURCHE - Produit non remplacement non défini

10

Référence P2R Référence P2R
Référence constructeur Référence constructeur
Plus d'informations

Quantité requise : 1

ZZZ 00H00206151 - TUYAU RESSORT DE FOURCHE - Produit non remplacement non défini

11

Référence P2R Référence P2R
Référence constructeur Référence constructeur
Plus d'informations

Quantité requise : 1

ZZZ 00H00215011 - PLATINE INF. AVEC PIVOT - Produit non remplacement non défini

12

Référence P2R Référence P2R
Référence constructeur Référence constructeur
Plus d'informations

Quantité requise : 1

ZZZ 00H00207271 - BOUCHON

13

Référence P2R Référence P2R
Référence constructeur Référence constructeur
Plus d'informations

Quantité requise : 1

ZZZ 00H00206531 - TUBE HYDRAULIQUE

14

Référence P2R Référence P2R
Référence constructeur Référence constructeur
Plus d'informations

Quantité requise : 1

ZZZ 00H00215091 - ETRIER FIX. GUIDON

15

Référence P2R Référence P2R
Référence constructeur Référence constructeur
Plus d'informations

Quantité requise : 1

16

Référence P2R Référence P2R
Référence constructeur Référence constructeur
ECROU SERRAGE PLATINE SUPERIEURE ORIGINE PIAGGIO 50 GILERA SMT, RCR 2006>/DERBI SENDA 2003>2010 -00H00204601

17

Référence P2R Référence P2R
Référence constructeur Référence constructeur
Plus d'informations

Quantité requise : 1

ZZZ 00H00206111 - ECROU FIX PIVOT - Produit non remplacement non défini

18

Référence P2R Référence P2R
Référence constructeur Référence constructeur
Plus d'informations

Quantité requise : 1

Tous les éclatés de ce véhicule

Filtrer :
Ou choisissez :