Icone menu mobile Logo P2R
Créer un compte

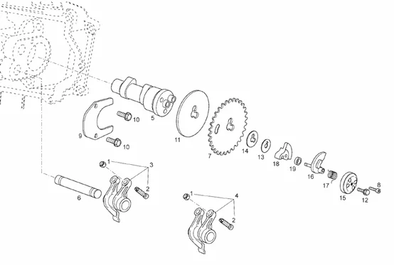
Eclatés de véhicule - DERBI RAMBLA 250 Rambla 250 2ver E3 2008 (EMEA) DERBI

Vues éclatées : 48 ARBRE ALLUMAGE
Arbre allumage
Rechercher
ECROU DE CULBUTEUR (M6x0.75) ORIGINE PIAGGIO COMMUN A LA GAMME -484819

1

Référence P2R Référence P2R
Référence constructeur Référence constructeur
Plus d'informations

Quantité requise : 1

VIS CULBUTEUR ORIGINE PIAGGIO COMMUN A LA GAMME MAXISCOOTER -82817R

2

Référence P2R Référence P2R
Référence constructeur Référence constructeur
Plus d'informations

Quantité requise : 1

CULBUTEUR D'ECHAPPEMENT ORIGINE PIAGGIO 125-250-300 MP3 2007>, VESPA GTS 2007>, 125 X-EVO 2007>, X9 2003>, X10 2012>/GILERA 125-250-300 NEXUS/APRILIA 125 ATLANTIC -B0184845

3

Référence P2R Référence P2R
Référence constructeur Référence constructeur
Remplacé par la référence
Plus d'informations

Quantité requise : 1

CULBUTEUR/BASCULEUR ADMISSION ORIGINE PIAGGIO 125-250-300 MP3, BEVERLY, X7, X8, X-EVO, VESPA GTS, YOURBAN, X9/GILERA 125-250-300 NEXUS/APRILIA 125-250-300 ATLANTIC, SR-MAX -B0184835

4

Référence P2R Référence P2R
Référence constructeur Référence constructeur
Remplacé par la référence
Plus d'informations

Quantité requise : 1

ARBRE A CAMES MAXISCOOTER ORIGINE PIAGGIO 125 MP3 2008>, X7 2008>, X8 2003>2007, X9 2003>2010, X-EVO 2007>, VESPA GTS 2005>/GILERA 125 NEXUS 2008>/APRILIA 125 ATLANTIC 2003> -8455185

5

Référence P2R Référence P2R
Référence constructeur Référence constructeur
Plus d'informations

Quantité requise : 1

ZZZ 8479965 - AXE DU CULBUTEURS - Produit non remplacement non défini

5

Référence P2R Référence P2R
Référence constructeur Référence constructeur
Plus d'informations

Quantité requise : 1

AXE DU CULBUTEURS ORIGINE PIAGGIO 125 MP3, X7, X8, X9, X-EVO, VESPA GTS/GILERA 125 NEXUS/APRILIA 125 ATLANTIC -486343

6

Référence P2R Référence P2R
Référence constructeur Référence constructeur
Plus d'informations

Quantité requise : 1

877771 - COURONNE

7

Référence P2R Référence P2R
Référence constructeur Référence constructeur
Plus d'informations

Quantité requise : 1

VIS BRIDE TH (6x35) ORIGINE PIAGGIO COMMUN A LA GAMME -414838

8

Référence P2R Référence P2R
Référence constructeur Référence constructeur
Plus d'informations

Quantité requise : 1

VIS BTR (5x25) AVEC FREIN FILET ORIGINE PIAGGIO COMMUN A LA GAMME -1A003115

8

Référence P2R Référence P2R
Référence constructeur Référence constructeur
Plus d'informations

Quantité requise : 1

TOLE ARBRE A CAMES ORIGINE PIAGGIO COMMUN A LA GAMME -877309

9

Référence P2R Référence P2R
Référence constructeur Référence constructeur
Plus d'informations

Quantité requise : 1

VIS BRIDE TH (5x12) ORIGINE PIAGGIO COMMUN A LA GAMME -484123

10

Référence P2R Référence P2R
Référence constructeur Référence constructeur
Plus d'informations

Quantité requise : 1

RONDELLE ARBRE A CAME ORIGINE PIAGGIO COMMUN A LA GAMME -877310

11

Référence P2R Référence P2R
Référence constructeur Référence constructeur
Plus d'informations

Quantité requise : 1

VIS TH (6x22) ORIGINE PIAGGIO COMMUN A LA GAMME -031091

12

Référence P2R Référence P2R
Référence constructeur Référence constructeur
Plus d'informations

Quantité requise : 1

VIS BTR (5x30) ORIGINE PIAGGIO COMMUN A LA GAMME -1A003053

12

Référence P2R Référence P2R
Référence constructeur Référence constructeur
Plus d'informations

Quantité requise : 1

RONDELLE PLATE DE BALANCIER ORIGINE PIAGGIO 125 2013< -830446

13

Référence P2R Référence P2R
Référence constructeur Référence constructeur
Plus d'informations

Quantité requise : 1

RONDELLE SPECIALE GROUPE BALANCIER ORIGINE PIAGGIO 125 SCOOTER 2012< -830447

14

Référence P2R Référence P2R
Référence constructeur Référence constructeur
Plus d'informations

Quantité requise : 1

ZZZ 880651 - DECOMPRESSION CHAMBRE - Produit non remplacement non défini

15

Référence P2R Référence P2R
Référence constructeur Référence constructeur
Plus d'informations

Quantité requise : 1

8291395 - MASSELOTTE *

16

Référence P2R Référence P2R
Référence constructeur Référence constructeur
Plus d'informations

Quantité requise : 1

RESSORT DECOMPRESSION ARBRE A CAMES ORIGINE PIAGGIO COMMUN A LA GAMME -486974

17

Référence P2R Référence P2R
Référence constructeur Référence constructeur
Plus d'informations

Quantité requise : 1

ZZZ 486331 - CONTREPOIDS

18

Référence P2R Référence P2R
Référence constructeur Référence constructeur
Plus d'informations

Quantité requise : 1

19

Référence P2R Référence P2R
Référence constructeur Référence constructeur

Tous les éclatés de ce véhicule

Filtrer :
Ou choisissez :