Vehicle Exploded View - MOTO-GUZZI V7 850 V7 Stone 850 E5+ ABS 2025 (EMEA)
All the exploded views of this vehicle
Filter :
Or choose :
-
-
01.01 Châssis/coque
-
01.02 Repose-Pieds
-
01.03 Béquille
-
01.05 Fourche arriere
-
02.03 Garde-boue Av.-Embasement
-
02.10 Carrosserie centrale
-
02.11 Rétroviseur/s
-
02.12 Selle
-
02.15 Garde-boue Ar.
-
02.17 Serrures
-
02.18 Plaquettes
-
02.19 Décalco
-
03.01 Moteur-Groupe complementaire
-
03.02 Sélecteurs internes de la boîte de vitesses
-
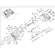
03.03 Carters I
-
03.05 Corps filtre
-
03.06 Corps à papillon
-
03.09 Couvercle culasse
-
03.10 Culasse - soupapes
-
03.12 Distribution
-
03.15 Cylindre - Piston
-
03.16 Vilebrequin
-
03.17 Boîte de vitesses / Selecteur / Desmodromique
-
03.18 Boîte de vitesses - engrenages
-
03.19 Lubrification
-
03.196 Installation Blow-by
-
03.23 Embrayage
-
03.27 Carter de volant
-
03.29 Démarreur / Démarreur électrique
-
03.30 Volant magnétique / Allumage
-
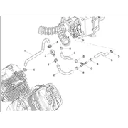
03.32 Air secondaire
-
03.33 Silencieux
-
03.34 Transmission arrière
-
03.35 La transmission arrière / Composants
-
04.06 Fourche Av. Kaifa
-
04.08 Amortisseur
-
05.010 Roue avant
-
05.02 Roue arrière
-
06.01 Maît. cyl. frein AV
-
06.02 Pince frein avant
-
06.03 Pompe frein arrière
-
06.04 Pince frein arrière
-
06.05 Système frein ABS
-
07.01 Direction
-
07.02 Guidon - Commandes
-
07.03 Commande embrayage
-
08.01 Eclairages avant
-
08.02 Instruments
-
08.03 Eclairages arrière
-
09.01 Réservoir essence
-
09.02 Sys.récup.vap.ess.
-
11.01 Circuit electrique AV
-
11.02 Circuit electrique cent.
-
11.03 Circuit electrique arrière