Vehicle Exploded View - MOTO-GUZZI V7 750 V7 III Stone 750 E4 ABS 2017 (EMEA LATAM)
All the exploded views of this vehicle
Filter :
Or choose :
-
-
01.010 Chassis
-
01.020 Repose-Pieds
-
01.030 Béquille
-
01.050 Fourche arriere
-
02.030 Garde-boue Av.-Embasement
-
02.100 Carrosserie centrale
-
02.120 Selle
-
02.150 Garde-boue Ar.
-
02.170 Serrures
-
02.180 Plaquettes
-
02.190 Décalco
-
03.010 Moteur-Groupe complementaire
-
03.020 Levier boîte de vitesses
-
03.030 Carters I
-
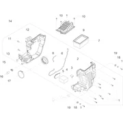
03.050 Corps filtre
-
03.060 Corps à papillon
-
03.090 Couvre-culasse
-
03.100 Culasse - soupapes
-
03.120 Distribution
-
03.150 Cylindre - Piston
-
03.160 Arbre moteur
-
03.170 Boîte de vitesses / Selecteur / Desmodromique
-
03.180 Boîte de vitesses - engrenages
-
03.190 Lubrification
-
03.196 Installation Blow-by
-
03.230 Embrayage
-
03.270 Carter de volant
-
03.290 Démarreur / Démarreur électrique
-
03.300 Volant magnétique / Allumage
-
03.320 Air secondaire
-
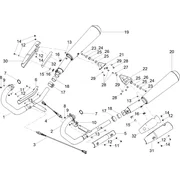
03.330 Pot d''échappement
-
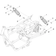
03.340 Transmission cpl.
-
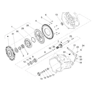
03.350 La transmission arrière / Composants
-
04.060 Fourche Av. Kaifa
-
04.080 Amortisseur
-
05.010 Roue Av.
-
05.020 Roue arrière
-
06.010 Maît. cyl. frein AV
-
06.020 Pince frein avant
-
06.030 Pompe frein arrière
-
06.040 Pince frein arrière
-
06.050 Système frein ABS
-
07.010 Direction
-
07.020 Guidon - Commandes
-
07.030 Commande embrayage
-
08.010 Feux avant
-
08.020 Instruments
-
08.030 Feux arriere
-
09.010 Réservoir essence
-
09.020 Sys.récup.vap.ess.
-
11.010 Circuit electrique AV
-
11.020 Circuit electrique cent.
-
11.030 Circuit electrique arrière