Vehicle Exploded View - APRILIA TUONO 1000 V4 R STD APRC 2011
All the exploded views of this vehicle
Filter :
Or choose :
-
-
28.01 Chassis I
-
28.02 Chassis II
-
28.03 Repose-Pieds
-
28.04 Béquille
-
28.05 Direction
-
28.06 Fourche
-
28.07 Fourche arriere
-
28.08 Amortisseur AR
-
28.09 Carrosserie av. I
-
28.10 Carrosserie av. II
-
28.11 Carrosserie av. III
-
28.12 Carrosserie posterieure I
-
28.13 Carrosserie posterieure II
-
28.14 Réservoir essence
-
28.15 Selle
-
28.16 Dessous selle
-
28.17 Tableau de bord
-
28.18 Guidon - Commandes
-
28.19 Levier embrayage
-
28.20 Maît. cyl. frein AV
-
28.21 Installation refroidissement
-
28.22 Radiateur huile
-
28.23 Corps filtre
-
28.24 Corps à papillon
-
28.25 Pot d'échappement I
-
28.26 Roue AV
-
28.27 Pince frein AV
-
28.28 Roue AR
-
28.29 Maît.cyl. frein AR
-
28.30 Pince frein AR
-
28.31 Phare avant
-
28.32 Feu arrière
-
28.33 Circuit electrique I
-
28.34 Circuit electrique II
-
28.35 Circuit electrique III
-
28.36 Kit serrure
-
28.55 Plaquettes et decalcomanies
-
28.56 Sys.récup.vap.ess.
-
28.57 Carrosserie posterieure II
-
28.58 Carrosserie posterieure III
-
29.37 Moteur
-
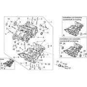
29.38 Carter I
-
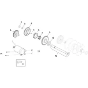
29.39 Arbre moteur
-
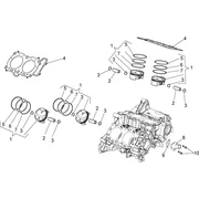
29.40 Cylindre - Piston
-
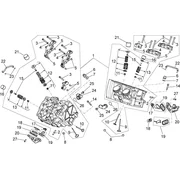
29.41 Couvercle soupapes
-
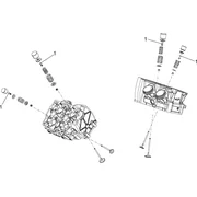
29.42 Culasse - soupapes
-
29.43 Plaquettes soupapes
-
29.44 Distribution cylindre avant
-
29.45 Distribution cylindre arrière
-
29.46 Boîte de vitesses
-
29.47 Embrague I
-
29.48 Embrague II
-
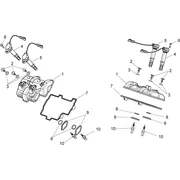
29.49 Couvercle embrayage
-
29.50 Groupe allumage
-
29.51 Couvercle
-
29.52 Lubrification
-
29.53 Air secondaire
-
29.54 Pompe à eau
-
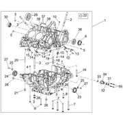
29.60 Carter II