Vehicle Exploded View - APRILIA SXV 450 2008
All the exploded views of this vehicle
Filter :
Or choose :
-
-
28.01 Chassis
-
28.02 Repose-Pieds
-
28.03 Béquille
-
28.04 Direction I
-
28.05 Fourche I
-
28.06 Fourche II
-
28.07 Fourche arriere
-
28.08 Suspension arriere
-
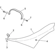
28.09 Carrosserie av. I
-
28.10 Carrosserie av. II
-
28.11 Reservoir carburant
-
28.12 Réservoir huile
-
28.13 Selle
-
28.14 Carrosserie centrale
-
28.15 Carrosserie posterieure I
-
28.16 Carrosserie posterieure II
-
28.17 Tableau de bord
-
28.18 Commandes
-
28.19 Installation refroidissement
-
28.20 Corps filtre
-
28.21 Groupe echappement I
-
28.22 Roue Av.I
-
28.23 Roue Av.II
-
28.24 Roue arrière I
-
28.25 Roue arrière II
-
28.26 Sys.frein avant I
-
28.27 Sys.frein avant II
-
28.28 Sys.frein arrière
-
28.29 Feux avant
-
28.30 Feux arriere
-
28.31 Circuit electrique I
-
28.32 Circuit electrique II
-
28.33 Groupe complementaire
-
28.56 Air secondaire
-
28.57 Sys.récup.vap.ess.
-
28.58 Plaques-Carrosserie av. Décalco
-
28.59 Carrosserie centrale Décalco
-
28.60 Carrosserie posterieure Décalco
-
28.61 Groupe echappement II
-
29.34 Moteur
-
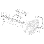
29.35 Carter moteur I
-
29.36 Carter moteur II
-
29.37 Pompe huile
-
29.38 Lubrification
-
29.39 Arbre moteur
-
29.40 Cylindre av.piston
-
29.41 Tête cylindre
-
29.42 Soupapes
-
29.43 Plaquettes soupapes
-
29.44 Distribution cylindre avant
-
29.45 Distribution cylindre arrière
-
29.46 Arbre transmission
-
29.47 Selecteur boîte de vitesses I
-
29.48 Selecteur boîte de vitesses II
-
29.49 Arbre primaire
-
29.50 Arbre secondaire
-
29.51 Embrague I
-
29.52 Pompe à eau
-
29.53 Démarreur
-
29.54 Corps à papillon
-
29.55 Allumage