Vehicle Exploded View - MOTO-GUZZI STELVIO 1200 NTX ABS 1200 2009-2010
All the exploded views of this vehicle
Filter :
Or choose :
-
-
00.01 Accessoires
-
33.01 Chassis
-
33.02 Chassis II
-
33.03 Béquille
-
33.04 R-pied pilote
-
33.05 R-pied pass.
-
33.06 Levier boîte de vitesses
-
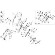
33.07 Direction
-
33.08 Fourche Av.
-
33.09 Fourche arriere
-
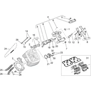
33.10 Transmission cpl.
-
33.11 Trans.cpl.-Vitesses
-
33.12 Trans.cpl.-Couple conique
-
33.13 Biellette et der. Amortisseur
-
33.14 Réservoir essence
-
33.15 Carrosserie av. - Coupole
-
33.16 Carrosserie av. - Convoyeur
-
33.17 Carrosserie centrale
-
33.18 Garde boue AV-Embas.
-
33.19 Selle
-
33.20 Carrosserie arriére I
-
33.21 Carrosserie ar.II
-
33.22 Poignée - Porte-bagages
-
33.23 Tableau de bord
-
33.24 Guidon - Commandes
-
33.25 Maît. cyl. frein AV
-
33.26 Commande embrayage cpl
-
33.27 Radiateur huile
-
33.28 Installation Blow-by
-
33.29 Alimentation
-
33.30 Corps filtre
-
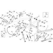
33.31 Groupe echappement
-
33.32 Pompe ess. interne
-
33.33 Roue Av.
-
33.34 Pince frein avant
-
33.35 Roue arrière
-
33.36 Maît.cyl. frein AR
-
33.37 Pince frein AR
-
33.38 Systeme frein abs
-
33.39 Systeme frein abs
-
33.40 Feu AV/Klaxon
-
33.41 Feu arrière
-
33.42 Circuit electrique I
-
33.43 Circuit electrique II
-
33.44 Kit serrure
-
33.45 Plaquettes-decal.
-
33.66 Special parts
-
33.69 Sys.récup.vap.ess.
-
34.46 Carter I
-
34.47 Carter II
-
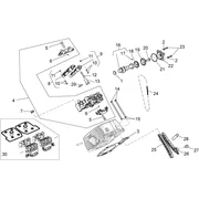
34.48 Culasse - soupapes
-
34.49 Couvre-culasse
-
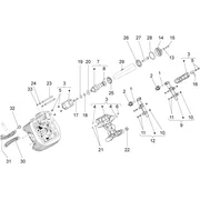
34.50 Distribution cylindre droite (bowl)
-
34.51 Distribution cylindre gauche I
-
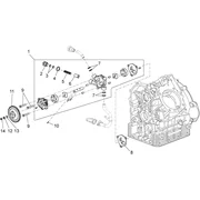
34.52 Arbre moteur - Cylindre
-
34.53 Distribution
-
34.54 Lubrification
-
34.55 Pompe huile
-
34.56 Filtres à huile
-
34.57 Embrayage
-
34.58 Carter de boîte vitesses
-
34.59 Selecteur boîte de vitesses
-
34.60 ARBRE PRIMAIRE BOITE DE VITESSES
-
34.61 Arbre secondaire
-
34.62 Arbre embrayage
-
34.63 Générateur de courant
-
34.64 Démarreur
-
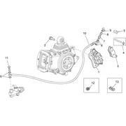
34.65 Corps à papillon
-
34.66 Distribution cylindre droite (roller)
-
34.67 Distribution cylindre gauche (roller)
-
36.67 Specific tools I
-
36.68 Specific tools II