Vehicle Exploded View - GILERA SMT 50 SMT 1998-2005
All the exploded views of this vehicle
Filter :
Or choose :
-
-
T1 Moteur
-
T10 Volant megnetique
-
T11 Carburateur
-
T12 Exappement et silencieux
-
T13 Cadre
-
T14 Fource avant
-
T15 Bras oscillant-amortisseur
-
T16 Reservoir-boite filtre-selle
-
T17 Montage chaiss
-
T18 Guidon et commandes
-
T19 Frein arriere
-
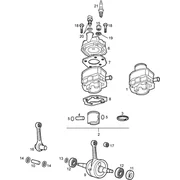
T2 Villebrequin-cylindre-culasse
-
T20 Tableau de bord
-
T21 Installation electrique
-
T22 Ruote avant
-
T23 Roue arrier
-
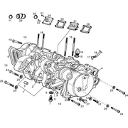
T3 Carters
-
T4 Primarie-secondarie
-
T5 Selecteur
-
T6 Embrayge
-
T7 Demarreur
-
T8 Pompe d'huille
-
T9 Systeme de refroidissement