Vehicle Exploded View - MOTO-GUZZI GRISO 1200 8V 2007-2013
All the exploded views of this vehicle
Filter :
Or choose :
-
-
00.01 Accessoires
-
33.01 Chassis
-
33.02 Béquille latérale
-
33.03 Repose-Pieds I
-
33.04 Repose-Pieds II
-
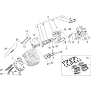
33.05 Levier boîte de vitesses
-
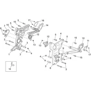
33.06 Direction
-
33.07 Fourche Av.
-
33.08 Fourche arriere
-
33.09 Transmission cpl.
-
33.10 Trans.cpl.-Vitesses
-
33.11 Trans.cpl.-Couple conique
-
33.12 Biellette et der. Amortisseur
-
33.13 Réservoir essence
-
33.14 Carrosserie av. - Convoyeur
-
33.15 Garde-boue AV
-
33.16 Selle
-
33.17 Carr. Arriére - Garde-boue
-
33.18 Carr. Arriére - Qu.Car
-
33.19 Tableau de bord
-
33.20 Guidon - Commandes
-
33.21 Maît. cyl. frein AV
-
33.22 Commande embrayage cpl
-
33.23 Radiateur huile
-
33.24 Installation Blow-by
-
33.25 Alimentation
-
33.26 Corps filtre
-
33.27 Groupe echappement
-
33.28 Pompe ess. interne
-
33.29 Roue Av.SE
-
33.30 Pince frein avant
-
33.31 Roue arrière std
-
33.32 Maît.cyl. frein AR
-
33.33 Pince frein AR
-
33.34 Feu AV/Klaxon
-
33.35 Feu arrière
-
33.36 Circuit electrique I
-
33.37 Circuit electrique II
-
33.38 Kit serrure
-
33.39 Plaquettes-decal.
-
33.63 Sys.récup.vap.ess.
-
33.64 Roue Av.SE
-
33.65 Roue arrière SE
-
34.40 Carter I
-
34.41 Carter II
-
34.42 Culasse - soupapes
-
34.43 Couvre-culasse
-
34.44 Distribution cylindre droite I
-
34.45 Distribution cylindre gauche I
-
34.46 Arbre moteur - Cylindre
-
34.47 Distribution
-
34.48 Lubrification
-
34.49 Pompe huile
-
34.50 Filtres à huile
-
34.51 Embrayage
-
34.52 Carter de boîte vitesses
-
34.53 Selecteur boîte de vitesses
-
34.54 ARBRE PRIMAIRE BOITE DE VITESSES
-
34.55 Arbre secondaire
-
34.56 Arbre embrayage
-
34.57 Générateur de courant
-
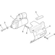
34.58 Démarreur
-
34.59 Corps à papillon
-
34.60 Distribution cylindre droite II
-
34.61 Distribution cylindre gauche II
-
36.60 Specific tools I
-
36.61 Specific tools II
-
36.62 Specific tools III