Eclatés de véhicule - APRILIA SCARABEO 4T 100 E3 Net 2010
Tous les éclatés de ce véhicule
Filtrer :
Ou choisissez :
-
-
28.01 Chassis
-
28.02 Repose-pieds bequille
-
28.03 Fourche
-
28.04 Suspension ar. - Bielle
-
28.05 Carrosserie av. I
-
28.06 Carrosserie av. II
-
28.07 Carrosserie av. III
-
28.08 Carrosserie centrale I
-
28.09 Carrosserie centrale II
-
28.10 Selle-porte bag
-
28.11 Coffre
-
28.12 Carrosserie posterieure I
-
28.13 Carrosserie posterieure II
-
28.14 Guidon-tableau de bord
-
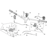
28.15 Commandes
-
28.16 Réservoir essence II
-
28.17 Corps filtre
-
28.18 Carburateur I
-
28.19 Carburateur II
-
28.20 Carburateur III
-
28.22 Pot d'échappement
-
28.23 Roue Av. F.D.
-
28.24 Roue posterieure - F.T.
-
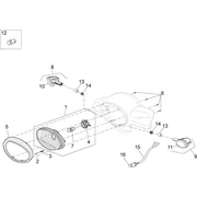
28.25 Feux avant
-
28.26 Feux arriere
-
28.27 Circuit electrique
-
28.28 Décalco - Kit serrure
-
29.21 Moteur
-
29.29 Carter
-
29.30 Pignon allum. - démarreur
-
29.31 Arbre moteur
-
29.32 Cylindre - Piston
-
29.33 Culasse - soupapes
-
29.34 Couvre-culasse
-
29.35 Commande soupapes
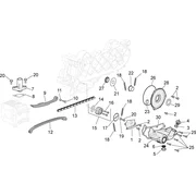
-
29.36 Volant magnétique
-
29.37 Transmission
-
29.38 Embrayage
-
29.39 Pompe huile
-
29.40 Variateur
-
29.41 Couvercle variateur
-
29.42 Air secondaire