Eclatés de véhicule - GILERA RUNNER 125 VX 4T 1998-2005
Tous les éclatés de ce véhicule
Filtrer :
Ou choisissez :
-
-
T1 Moteur
-
T10 Poulie entrainee
-
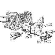
T11 Pompe d'huile-carter huile
-
T12 Arbre roue ar.
-
T13 Demi-poulie motrice
-
T14 Démarrage électrique
-
T15 Refroidissement carter
-
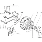
T16 Volant magnetique - Boitiî air secondaire
-
T17 Tuyau de refroidissement courroie
-
T18 Carburateur
-
T19 Carburateur
-
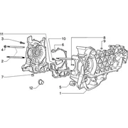
T2 Carter
-
T20 Filtre a air
-
T21 Silencieux catalytique
-
T22 Chassis-bequille
-
T23 Vase d'expansion
-
T24 Radiateur
-
T25 Porte casque
-
T26 Carénages
-
T27 Décorations
-
T28 Carénages
-
T29 Carénages
-
T3 Vilebrequin
-
T30 Carénages
-
T31 Carénages
-
T32 Portillon essence-blocage de direction
-
T33 Garde boue av. Et ar.
-
T34 Selle
-
T35 Reservoir
-
T36 Circuit d'alimentation
-
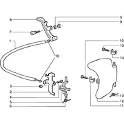
T37 Compteur kilometrique-couvercle du guidon
-
T38 Pieces composant le guidon
-
T39 Pieces composant le guidon
-
T4 Ensemble cylindre-piston-axe de piston
-
T40 Sieges direction
-
T41 Fourche
-
T42 Bras oscillant
-
T43 Amortisseur ar.
-
T44 Etrier du frein av.-transmissions
-
T45 Etrier de frein ar.
-
T46 Groupe optique
-
T47 Feux de direction avant
-
T48 Feu a.r.
-
T49 Dispositifs electriques
-
T5 Ensemble culasse-soupapes
-
T50 Dispositifs electriques
-
T51 Dispositifs electriques
-
T52 Dispositifs electriques
-
T53 Roue av.
-
T54 Roue ar.
-
T55 Kit pare-brise-kit béquille
-
T6 Ensemble support bilanciers
-
T7 Soupape reniflard huile
-
T8 Tendeur de chaîne-soupape by-pass
-
T9 Filtre à huile