Eclatés de véhicule - MOTO GUZZI CALIFORNIA 1400 Touring ABS 2012-2014
Tous les éclatés de ce véhicule
Filtrer :
Ou choisissez :
-
-
00.01 Accessoires
-
01.010 Chassis
-
01.020 Repose-pieds
-
01.030 Bequille
-
01.040 Protection
-
01.050 Fourche arriere
-
02.030 Garde-boue av.-embasement
-
02.050 Coupole / pare brise
-
02.090 Couvre-reservoir
-
02.100 Carrosserie centrale
-
02.120 Selle
-
02.130 Logement sous-selle
-
02.150 Garde-boue ar.
-
02.165 Valises
-
02.170 Serrures
-
02.190 Decalco
-
03.010 Moteur-groupe complementaire
-
03.020 Levier vitesses
-
03.030 Carters i
-
03.040 Carters i
-
03.050 Corps filtre
-
03.060 Corps à papillon
-
03.090 Couvre-culasse
-
03.100 Culasse - soupapes
-
03.120 Distribution
-
03.135 Distribution cylindre droite
-
03.145 Distribution cylindre gauche
-
03.150 Cylindre - piston
-
03.160 Arbre moteur
-
03.170 Boite de vitesses / selecteur / desmodromique
-
03.180 Boite de vitesses - engrenages
-
03.190 Lubrification
-
03.195 Filtres à huile
-
03.196 Installation blow-by
-
03.200 Pompe huile
-
03.230 Embrayage
-
03.290 Demarreur / demarreur electrique
-
03.300 Volant magnetique / allumage
-
03.330 Pot d echappement
-
03.340 Transmission cpl.
-
03.350 La transmission arriere / composants
-
04.025 Fourche avant
-
04.080 Amortisseur
-
05.010 Roue av.
-
05.020 Roue arriere
-
06.010 Mait. cyl. frein av
-
06.020 Pince frein avant
-
06.030 Pompe frein arriere
-
06.040 Pince frein arriere
-
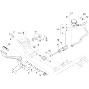
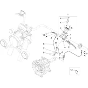
06.050 Systeme frein abs
-
07.010 Direction
-
07.020 Guidon - commandes
-
07.030 Commande embrayage
-
08.010 Feux avant
-
08.020 Instruments
-
08.030 Feux arriere
-
09.010 Reservoir essence
-
09.020 Sys.recup.vap.ess.
-
10.010 Radiateur huile
-
11.010 Circuit electrique av
-
11.020 Circuit electrique cent.
-
11.030 Circuit electrique arriere