Eclatés de véhicule - APRILIA ATLANTIC 400 Sprint 2005-2008
Tous les éclatés de ce véhicule
Filtrer :
Ou choisissez :
-
-
28.01 Chassis
-
28.02 Embiellage
-
28.03 Bequille
-
28.04 Fourche av. i
-
28.05 Fourche av. ii
-
28.06 Suspension arriere
-
28.07 Carrosserie av. i
-
28.08 Carrosserie av. ii
-
28.09 Carrosserie av. iii
-
28.10 Carrosserie centrale
-
28.11 Dessous selle
-
28.12 Selle
-
28.13 Carrosserie posterieure i
-
28.14 Carrosserie posterieure ii
-
28.15 Tableau de bord
-
28.16 Guidon
-
28.17 Commandes gche
-
28.18 Commandes dte
-
28.19 Radiateur
-
28.20 Reservoir carburant
-
28.21 Corps filtre
-
28.22 Groupe d’echappement euro
-
28.23 Groupe d’echappement euro
-
28.24 Roue av.
-
28.25 Pince frein avant
-
28.26 Roue arriere
-
28.27 Pince frein arriere
-
28.28 Feu avant
-
28.29 Feu arriere
-
28.30 Circuit electrique i
-
28.31 Circuit electrique ii
-
28.32 Kit serrure
-
28.33 Plaquettes-decal.
-
29.34 Dessin d ensemble moteur
-
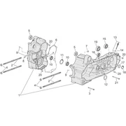
29.35 Carter moteur
-
29.36 Arbre moteur
-
29.37 Cylindre
-
29.38 Culasse
-
29.39 Commande soupapes
-
29.40 Couvre-culasse external thermostat
-
29.41 Carter de volant
-
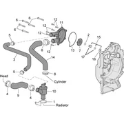
29.42 Pompe à eau ext.thermostat
-
29.43 Transmission secondaire
-
29.44 Pompe huile
-
29.45 Transmission
-
29.46 Transmission prim.
-
29.47 Moteur plastiques
-
29.48 Demarreur
-
29.49 Groupe allumage
-
29.50 Corps à papillon
-
30.51 Acc. - pare-brise/valises lat
-
30.52 Acc. - top cases i
-
30.53 Acc. - top cases ii
-
30.54 Acc. - varie i
-
30.55 Acc. - varie ii
-
30.56 Acc. - antivol