Eclatés de véhicule - PIAGGIO VU APE CLASSIC 400 Ape Classic 400 2014-2015
Tous les éclatés de ce véhicule
Filtrer :
Ou choisissez :
-
-
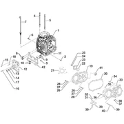
01.03 Carter
-
01.04 Vilebrequin
-
01.05 Groupe cylindre-piston-axe
-
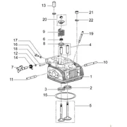
01.08 Ensemble culasse - soupape
-
01.09 Groupe support balanciers
-
01.10 Couvercle culasse
-
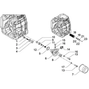
01.13 Couvercle carter - refoidissement carter
-
01.15 Pompe à huile
-
01.17 Demarrage - demarrage electrique
-
01.21 Filtre à huile
-
01.22 Pompa carburante
-
01.23 Transmission complete
-
01.25 Transmission arriere
-
01.27 Composants de la boite de vitesses
-
01.28 Levier de la boite de vitesses
-
01.30 Embrayage
-
01.31 Corps papillon - Injecteur - Raccord d'admission
-
01.36 Regulateur de debit
-
01.37 Silencieux
-
01.38 Filtre à air
-
02.01 Chassis/coque
-
02.06 Supports moteur
-
02.07 Portieres avant - vitre
-
02.18 Benne ouverte
-
02.25 Pare-brise - glaces
-
02.28 Logement roue - garde boue
-
02.32 Monogrammes - decorations
-
02.33 Sieges avant
-
02.35 Revetements interieurs
-
02.36 Retroviseur/s
-
02.37 Serrures
-
02.38 Reservoir carburant
-
02.40 Pompe à essence
-
02.42 Instalation de l'alimentation
-
02.45 Systeme de chauffage
-
03.02 Groupe instruments - cruscotto
-
03.05 Guidon
-
04.02 Fourche/tube direction - ensemble butee dir.
-
04.05 Suspension arriere - amortisseur/s
-
04.06 Roues avant et arriere
-
04.07 Roue de secours - trousse à outils
-
05.05 Systeme de freinage
-
05.06 Frein de stationnement
-
05.07 Machoire
-
05.08 Groupe pedales - leviers
-
05.10 Transmissions
-
06.01 Inverseurs - commutateurs - boutons - interrupteurs
-
06.02 Eclairages avant - clignotants
-
06.03 Eclairages arriere - clignotants
-
06.04 Relais - batterie - avertisseur sonore
-
06.05 Regulateurs de tension - bobine h.t.
-
06.07 Faisceau de cables principal
-
06.12 Essuie-glaces avant et arriere