Vehicle Exploded View - APRILIA RX 50 1995-2002
All the exploded views of this vehicle
Filter :
Or choose :
-
-
28.01 Chassis
-
28.02 Béquille ENDURO
-
28.03 Béquille SUPERMOTARD
-
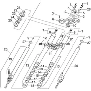
28.04 Fourche Av.
-
28.05 Fourche arriere
-
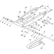
28.06 Suspension arriere
-
28.07 Carrosserie av. I
-
28.08 Carrosserie av. II - ENDURO
-
28.09 Carrosserie av. II - SUPERMOTARD
-
28.10 Réservoir essence
-
28.11 Carros. Cent. - ENDURO
-
28.12 Carros. Cent. - SUPERMOTARD
-
28.13 Selle
-
28.14 Carrosserie posterieure
-
28.15 Tableau de bord
-
28.16 Commandes I
-
28.17 Commandes II
-
28.18 Commandes III
-
28.19 Radiateur
-
28.20 Corps filtre
-
28.21 Réservoir huile
-
28.23 Pot d'échappement
-
28.24 Roue AV - ENDURO
-
28.25 Roue AV - SUPERMOTARD
-
28.26 Pince frein avant
-
28.27 Roue AR - ENDURO
-
28.28 Roue AR - SUPERMOTARD
-
28.29 Pompe frein arrière
-
28.30 Pince frein arrière
-
28.31 Feux
-
28.32 Circuit electrique
-
28.33 Plaquettes
-
28.34 Décalco et manuels
-
29.22 Moteur
-
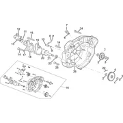
29.35 Carter droite
-
29.36 Carter gauche
-
29.37 Pompe huile
-
29.38 Arbre moteur
-
29.39 Piston
-
29.40 Culasse
-
29.41 Selecteur
-
29.42 ARBRE PRIMAIRE BOITE DE VITESSES
-
29.43 Arbre secondaire boite de vitesses I
-
29.44 Arbre secondaire boite de vitesses II
-
29.45 Embrayage
-
29.46 Couvercle embrayage
-
29.47 Arbre demarrage
-
29.48 Carburateur I
-
29.49 Carburateur II
-
29.50 Carburateur III
-
29.51 Carburateur IV