Vehicle Exploded View - PIAGGIO VU PORTER DIESEL MAXXI STANDARD 0 Porter Maxxi D120 E5 2011-2015
All the exploded views of this vehicle
Filter :
Or choose :
-
-
01.01 Moteur complet
-
01.04 Vilebrequin
-
01.06 Bloc cylindres
-
01.07 Groupe piston
-
01.08 Ensemble culasse - Soupape
-
01.09 Groupe support balanciers
-
01.10 Couvercle culasse
-
01.14 Courroie de distribution et couvercle
-
01.15 Pompe à huile
-
01.16 Pompe à eau
-
01.17 Démarrage - Démarrage électrique
-
01.19 Alternateur
-
01.21 Filtre à huile
-
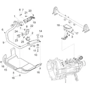
01.25 Transmission arrière
-
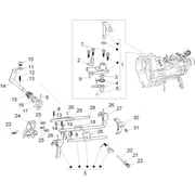
01.26 Carter de boîte de vitesses
-
01.27 Composants de la boîte de vitesses
-
01.28 Levier de la boîte de vitesses
-
01.29 Sélecteurs internes de la boîte de vitesses
-
01.30 Embrayage
-
01.32 Corps papillon et injecteurs
-
01.33 Raccords d'admission et d'échappement
-
01.37 Silencieux
-
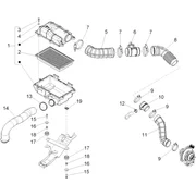
01.38 Filtre à air
-
01.40 Coupe huile moteur
-
01.41 Arbre à cames
-
01.42 Arbre intermédiaire - Contre-arbre
-
01.43 Circuit soupape EGR
-
01.44 Système blow-by
-
02.02 Châssis/caisse avant
-
02.03 Châssis/caisse latéral
-
02.04 Châssis/caisse arrière
-
02.06 Supports moteur
-
02.07 Portières avant - Vitre
-
02.08 Composants des portes avant
-
02.13 Composants de la cabine
-
02.14 Ceintures de sécurité
-
02.15 Panneau du toit
-
02.16 Panneaux isolants – Moulures
-
02.18 Benne ouverte
-
02.20 Composants de la benne
-
02.23 Système de basculement
-
02.24 Pompe de basculement - Composants
-
02.25 Pare-brise - Glaces
-
02.26 Lève-vitre avant et arrière
-
02.28 Logement roue - Garde boue
-
02.29 Panneau du plancher AV
-
02.30 Protections avant
-
02.31 Couvercle arrière
-
02.32 Monogrammes - Decorations
-
02.33 Sièges avant
-
02.35 Revêtements intérieurs
-
02.36 Rétroviseur/s
-
02.37 Serrures
-
02.38 Réservoir carburant
-
02.43 Instalation de refoidissement
-
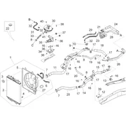
02.44 Composants du système de refroidissement
-
02.45 Système de chauffage
-
02.47 Air conditionné
-
02.49 Échangeur de chaleur
-
03.02 Groupe instruments - Cruscotto
-
03.04 Tunnel central
-
03.06 Articulation de direction
-
03.08 Volant
-
04.01 Bras oscillant
-
04.03 Suspension avant - Amortisseur/s
-
04.04 Moyeu de la roue avant
-
04.05 Suspension arrière - Amortisseur/s
-
04.06 Roues avant et arrière
-
04.07 Roue de secours - Trousse à outils
-
05.01 Avant tuyaus du freins - Pompe
-
05.02 Tuyaus du freins - Etriers de frein
-
05.04 Rear brakes pipes
-
05.06 Frein de stationnement
-
05.07 Mâchoire
-
05.08 Groupe pédales - Leviers
-
05.09 Commande de l'accélérateur
-
06.01 Inverseurs - Commutateurs - Boutons - Interrupteurs
-
06.02 Eclairages avant - Clignotants
-
06.03 Eclairages arrière - Clignotants
-
06.04 Relais - Batterie - Avertisseur sonore
-
06.06 Centrales électroniques – Capteurs
-
06.07 Faisceau de câbles principal
-
06.09 Composants de l'installation électrique
-
06.12 Essuie-glaces avant et arrière
-
06.13 Optional