mobile menu icon P2R logo

Vehicle Exploded View - PIAGGIO VU APE CALESSINO 200 Ape Calessino 200 E4 Model Year 2019 PIAGGIO VU

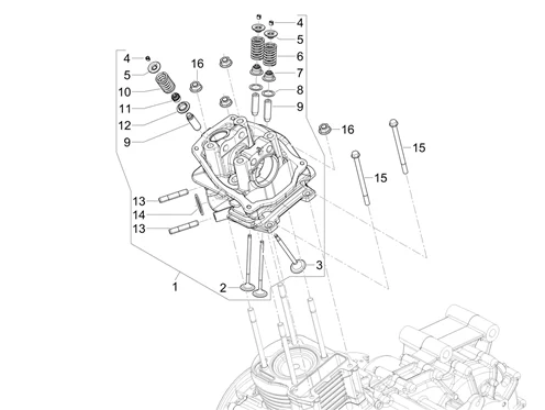
Moteur : 01.05 ENSEMBLE CULASSE - SOUPAPE
Ensemble culasse - Soupape
Search

1

P2R reference P2R reference
Maker reference Maker reference
B014684 - SOUPAPE ADMISSION ATD

2

P2R reference P2R reference
Maker reference Maker reference
More information

Quantity required : 2

B017438 - SOUPAPE ECHAPPEMENT

3

P2R reference P2R reference
Maker reference Maker reference
More information

Quantity required : 1

B015288 - SEMICONO

4

P2R reference P2R reference
Maker reference Maker reference
More information

Quantity required : 6

B017456 - CUVETTE

5

P2R reference P2R reference
Maker reference Maker reference
More information

Quantity required : 3

B014706 - MOLLA VALVOLA ASPIRAZI

6

P2R reference P2R reference
Maker reference Maker reference
More information

Quantity required : 1

VALVE GASKET RING "PIAGGIO GENUINE PART" COMMON TO THE RANGE SCOOTER 50 CC 4 stroke + MAXISCOOTER 125 CC AIR COOLED -843307

7

P2R reference P2R reference
Maker reference Maker reference
More information

Quantity required : 2

8

P2R reference P2R reference
Maker reference Maker reference
83055R - VALVE SEAT AND GUIDE GROUP

9

P2R reference P2R reference
Maker reference Maker reference
More information

Quantity required : 1

83054R - BAGUE ETANCHEITEE VM

10

P2R reference P2R reference
Maker reference Maker reference
More information

Quantity required : 1

B014705 - MOLLA VALVOLA SCARICO

11

P2R reference P2R reference
Maker reference Maker reference
More information

Quantity required : 1

483711 - RONDELLE D'AR

12

P2R reference P2R reference
Maker reference Maker reference
More information

Quantity required : 1

B016368 - GOUJON

13

P2R reference P2R reference
Maker reference Maker reference
More information

Quantity required : 2

EXHAUST GASKET- "PIAGGIO GENUINE PART" COMMON TO THE RANGE MAXISCOOTER 125 CC REFROIDISSEMENT PAR AIR -434716

14

P2R reference P2R reference
Maker reference Maker reference
More information

Quantity required : 1

B018854 - VIS

15

P2R reference P2R reference
Maker reference Maker reference
More information

Quantity required : 2

B016939 - ECROU BRIDE

16

P2R reference P2R reference
Maker reference Maker reference
More information

Quantity required : 4

All the exploded views of this vehicle

Filter :
Or choose :